E
EPC Data

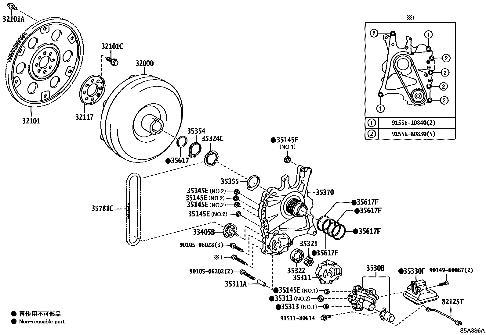
TORQUE CONVERTER, FRONT OIL PUMP & CHAIN (ATM)

Parts diagram
32000CONVERTER ASSY, TORQUE
main32000-06060i202106-202303
(L)
main32000-33180i201903-202106
(J)
32101GEAR SUB-ASSY, DRIVE PLATE & RING
main32101-33020i201903-202106
32101ABOLT(FOR DRIVE PLATE & TORQUE CONVERTER SETTING)
main90109-09001i201903-202106
*9-1.25PX12.4-7.3,BLACK
main90119-09025×5i201903-202106
*9-1.25PX12.4-8.4,SILVER WHITE
main90119-C0349×5i202106-202303
*9-1.25PX12.4-8.4,(L),SILVER WHITE
main90119-C0350i202304
*9-1.25PX12.4-7.3,(L),BLACK
32101CBOLT, HEXAGON(FOR DRIVE PLATE SETTING)
main90105-12404×8i202304
*12-1.25PX20.3-14.3,(J)
main90105-C0352×8i202106-202303
*12-1.25PX20.3-14.3,(L)
32117SPACER, DRIVE PLATE, REAR
main32117-0R010i202304
(L)
main32117-33010i202304
(J)
33405BSHAFT SUB-ASSY, OIL PUMP DRIVE
main33405-48010i201903-202106
35145EGASKET, TRANSAXLE CASE
main35145-33010×2i201903-202102
NO.1:REFER ILLUST.
main35145-33020×2i202103-202106
NO.1:REFER ILLUST.
main35145-33040×4i202106-202303
NO.2:REFER ILLUST.
main35145-48030×4i201903-202102
NO.2:REFER ILLUST.
3530BCOVER SUB-ASSY, FRONT OIL PUMP & SOLENOID
main3530B-48040i202304
35311BODY, FRONT OIL PUMP
main35311-48040i202304
35311APIN, RING
main90253-09004×2i201903-202106
35313GASKET, FRONT OIL PUMP COVER
main35313-48020i202304
NO.1:REFER ILLUST.
main35313-48030i202106-202303
NO.2:REFER ILLUST.
35321GEAR, FRONT OIL PUMP DRIVE
main35321-48110i201903-202106
T=16.66
35322GEAR, FRONT OIL PUMP DRIVEN
main35322-48110i201903-202106
T=16.66
35324CSPROCKET, TRANSMISSION OIL PUMP DRIVE
main35324-48040i201903-202106
35330FSTRAINER ASSY, OIL
main35330-48040i202304
35354WASHER, OIL PUMP SPROCKET THRUST, FRONT
main35354-48010i201903-202106
35355WASHER, OIL PUMP SPROCKET THRUST, REAR
main35355-48010i201903-202012
main35355-48011i202012-202106
35370SHAFT ASSY, STATOR
main35370-33070i201903-202106
35617RING, CLUTCH DRUM OIL SEAL
main35617-48050i201903-202106
35617FRING, CLUTCH DRUM OIL SEAL
main35617-33020×4i201903-202106
35781CCHAIN, TRANSMISSION DRIVE
main35781-48020i201903-202106
82125TWIRE, TRANSMISSION
main82125-48050i201903-202106
9010506028
9010506202
9014960067
9151180614
9155110840
9155180830

28 parts on this diagram · 1 diagram in section

TORQUE CONVERTER, FRONT OIL PUMP & CHAIN (ATM) — Toyota Parts Diagram with OEM Numbers & Prices | EPC Data