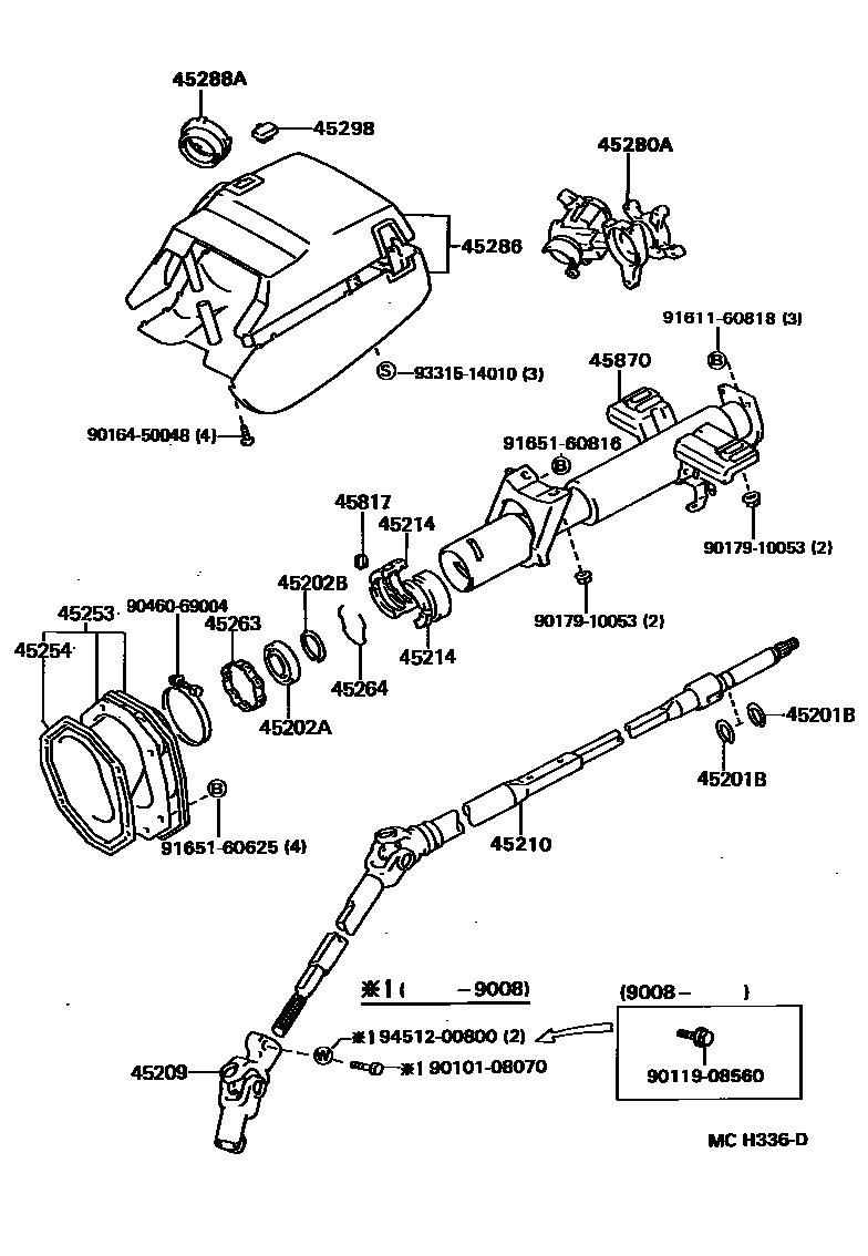
STEERING COLUMN & SHAFT

45201BRING, SHAFT SNAP(FOR STEERING MAIN SHAFT)
T=1.20
T=1.35-1.45
45202ABEARING, RADIAL BALL(FOR STEERING INTERMEDIATE SHAFT)
45202BRING, SHAFT SNAP(FOR STEERING INTERMEDIATE SHAFT)
45209YOKE SUB-ASSY, STEERING SLIDING
45210SHAFT ASSY, STEERING MAIN
45214RETAINER, MAIN SHAFT SPRING
45253COVER, STEERING COLUMN HOLE
45254SHIELD, STEERING COLUMN HOLE
45263RING, STEERING COLUMN, NO.1
45264RING, STEERING COLUMN, NO.2
45280ABRACKET ASSY, STEERING COLUMN, UPPER
W(POWER STEERING)
45286COVER, STEERING COLUMN
NEW MAROON,TRIM3#
MEDIUM GRAY,TRIM1#
BLUE,TRIM8#
SABLE,TRIM4#
COOL GRAY,TRIM1#
SABLE,TRIM4#
MEDIUM GRAY,TRIM1#
BLUE,TRIM8#
NEW MAROON,TRIM3#
COOL GRAY,TRIM1#
SABLE,TRIM4#
MEDIUM GRAY,TRIM1#
45288ASPACER, COLUMN COVER
SABLE,TRIM4#
MEDIUM GRAY,TRIM1#
BLUE,TRIM8#
NEW MAROON,TRIM3#
45298PLUG, STEERING COLUMN COVER
COOL GRAY,TRIM1#
SABLE,TRIM4#
MEDIUM GRAY,TRIM1#
BLUE,TRIM8#
NEW MAROON,TRIM3#
45817STOPPER, STEERING SHAFT THRUST
45870TUBE ASSY, STEERING COLUMN
9010108070
main90101-08070
9011908560
main90119-08560
9016450048
main90164-50048
9017910053
main90179-10053
9046069004
main90460-69004
9161160818
main91611-60818
9165160625
main91651-60625
9165160816
main91651-60816
9331514010
main93315-14010
9451200800
main94512-00800
26 parts on this diagram · 2 diagrams in section