E
EPC Data

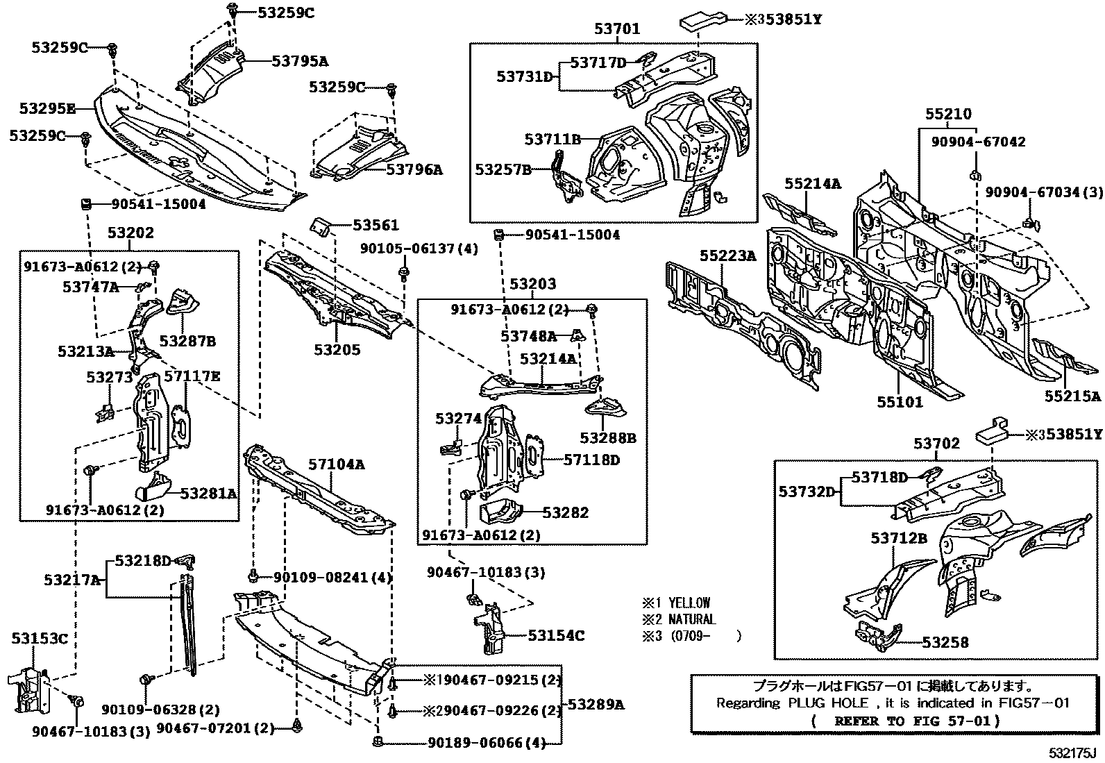
FRONT FENDER APRON & DASH PANEL

Parts diagram
53153CGUIDE, RADIATOR GRILLE SIDE AIR, RH
main53153-30160i200709
53154CGUIDE, RADIATOR GRILLE SIDE AIR, LH
main53154-30150i200602-200709
53202SUPPORT SUB-ASSY, RADIATOR, RH
main53202-30903i200602-200709
main53202-30905i200709-201106
main53202-30906i201106-201111
53203SUPPORT SUB-ASSY, RADIATOR, LH
main53203-30903i200602-200709
main53203-30905i200709-201106
main53203-30906i201106-201111
53205SUPPORT SUB-ASSY, RADIATOR, UPPER
main53205-30080i200602-200709
main53205-30102i200709
53213ASUPPORT, RADIATOR, UPPER RH
main53213-30090i200602-200709
main53213-30111i200709-201111
53214ASUPPORT, RADIATOR, UPPER LH
main53214-30080i200602-200709
main53214-30111i200709-201111
53217ABRACE, HOOD LOCK SUPPORT
main53217-30901i200602-200709
main53217-30902i200709
53218DEXTENSION, HOOD LOCK BRACE
main53218-30110i200602-200709
main53218-30130i200709
53257BBRACKET, RADIATOR SUPPORT TO FRONT FENDER
main53257-30080i200602-200709
53258BRACKET, FRONT END PANEL MOUNTING, LH
main53258-30060i200602-200709
53259CCLIP, RADIATOR SUPPORT TO FRAME SEAL
main53259-48010×13i200602-200607
main90467-07211×13i200608-200709
53273BRACKET, FRONT BUMPER ARM MOUNTING, RH
main53273-30060i200602-200709
53274BRACKET, FRONT BUMPER ARM MOUNTING, LH
main53274-30040i200602-200709
53281AREINFORCEMENT, FRONT BODY MOUNTING, RH
main53281-30050i200602-200709
53282REINFORCEMENT, FRONT BODY MOUNTING, LH
main53282-30030i200602-200709
53287BEXTENSION, RADIATOR SUPPORT, RH
main53287-30080i200602-200709
53288BEXTENSION, RADIATOR SUPPORT, LH
main53288-30070i200602-200709
53289ACOVER, RADIATOR SUPPORT OPENING
main53289-30073i200602-200709
main53289-30140i200709-200907
main53289-30141i200908-201112
53295ESEAL, COOL AIR INTAKE DUCT
main53295-30090i200602-200709
main53295-30121i200709
53561GUIDE, HOOD AUXILIARY CATCH HOOK
main53561-30010i200602-200709
53701APRON SUB-ASSY, FRONT FENDER, RH
main53701-30A60i200602-200709
53702APRON SUB-ASSY, FRONT FENDER, LH
main53702-30800i200602-200709
53711BAPRON, FRONT FENDER, FRONT RH
main53711-3A030i200602-200709
53712BAPRON, FRONT FENDER, FRONT LH
main53712-30640i200709
53717DGUSSET, FENDER APRON, RH
main53717-30060i200602-200709
53718DGUSSET, FENDER APRON, LH
main53718-30050i200709
53731DMEMBER, FRONT APRON TO COWL SIDE, UPPER RH
main53705-30060i200602-200709
53732DMEMBER, FRONT APRON TO COWL SIDE, UPPER LH
main53706-30060i200602-200709
53747AEXTENSION, APRON FENDER SIDE, RH
main53747-30050i200709-201111
53748AEXTENSION, APRON FENDER SIDE, LH
main53747-30050i200602-200709
53795ACOVER, ENGINE ROOM, SIDE
main53795-30081i200602-200703
main53795-30090i200602-200709
main53795-30091i200909
main53795-30140i200709-200908
main53795-30141i200909
53796ACOVER, ENGINE ROOM SIDE, LH
main53796-30061i200602-200709
main53796-30062i200909
main53796-30070i200602-200709
main53796-30071i200909
53851YPAD, FRONT WHEEL OPENING EXTENSION, NO.1
main53855-30010×2i200709-201102
main53891-30030i201102
RH
main53892-30010i201102
LH
55101PANEL SUB-ASSY, DASH
main55101-30B00i200602-200709
main55101-30B20i200709-201103
main55101-30B21i201103-201111
55210INSULATOR ASSY, DASH PANEL
main55210-30391i200602-200709
main55210-30392i200909
main55210-30411i200602-200709
main55210-30412i200909
55214APAD, DASH PANEL INSULATOR, NO.2
main55214-30070i200602-200709
main55214-30090i200602-200709
55215APAD, DASH PANEL INSULATOR, NO.3
main55215-30200i200602-200709
main55215-30220i200709
55223AINSULATOR, DASH PANEL, OUTER
main55223-30200i200602-200709
main55223-30210i200602-200709
main55223-30220i200709-201002
main55223-30230i200709-201101
main55223-30231i201102
main55223-30240i201003
5701HOLE PLUG
57104AMEMBER SUB-ASSY, FRONT CROSS
main57104-30080i200709
57117ERETAINER, FRONT BUMPER ARM, RH
main57117-30050i200602-200709
57118DRETAINER, FRONT BUMPER ARM, LH
main57118-30050i200602-200709
9010506137
9010906328
9010908241
9018906066
9046707201
9046709215
9046709226
9046710183
9054115004
9090467034
9090467042
91673A0612

55 parts on this diagram · 2 diagrams in section

FRONT FENDER APRON & DASH PANEL — Toyota Parts Diagram with OEM Numbers & Prices | EPC Data