E
EPC Data

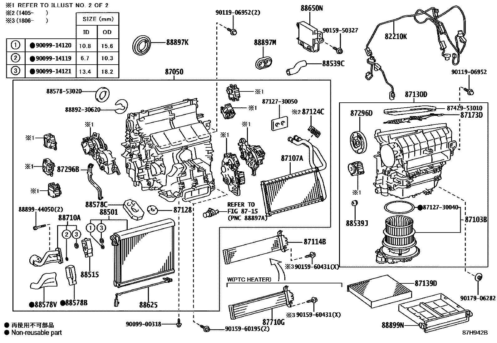
HEATING & AIR CONDITIONING - COOLER UNIT

Parts diagram
82210KHARNESS ASSY, AIR CONDITIONER
main82212-30110supersedes 82212-30100i201203-201309
main82212-30130supersedes 82212-30120i201203-201309
87050RADIATOR ASSY, AIR CONDITIONER
main87050-30280supersedes 87050-30250i201201-201308
VERSION L
main87050-30281supersedes 87050-30600i201309-201404
VERSION L
main87050-30282supersedes 87050-30600i201405-201412
VERSION L
main87050-30283supersedes 87050-30600i201501-201503
VERSION L
main87050-30340supersedes 87050-30290i201201-201309
VERSION L
main87050-30341supersedes 87050-30630i201309-201405
VERSION L
main87050-30342supersedes 87050-30630i201405-201501
VERSION L
main87050-30343supersedes 87050-30630i201501-201503
VERSION L
main87050-30391supersedes 87050-30751i201309-201404
VERSION L
main87050-30392supersedes 87050-30751i201405-201412
VERSION L
main87050-30393supersedes 87050-30751i201501-201503
VERSION L
main87050-30411supersedes 87050-30761i201309-201404
VERSION L
main87050-30412supersedes 87050-30761i201405-201412
VERSION L
main87050-30413supersedes 87050-30761i201501-201503
VERSION L
main87050-30501supersedes 87050-30581i201309-201404
VERSION L
main87050-30502supersedes 87050-30581i201405-201412
VERSION L
main87050-30503supersedes 87050-30581i201501-201503
VERSION L
main87050-30511supersedes 87050-53083i201309-201404
VERSION L
main87050-30512supersedes 87050-53083i201405-201412
VERSION L
main87050-30513supersedes 87050-53083i201501-201503
VERSION L
main87050-30570i201510-201609
WITH(STOP & START SYSTEM)
main87050-30571i201610-202007
WITH(STOP & START SYSTEM)
main87050-30590supersedes 87050-30581i201503-201510
VERSION L
main87050-30591supersedes 87050-30581i201610-202007
VERSION L
main87050-30610supersedes 87050-30600i201503-201510
VERSION L
main87050-30611supersedes 87050-30601i201610-202007
VERSION L
main87050-30640supersedes 87050-30630i201510-201609
VERSION L
main87050-30641supersedes 87050-30631i201610-202007
VERSION L
main87050-30670supersedes 87050-53083i201503-201510
VERSION L
main87050-30671supersedes 87050-53083i201610-202007
VERSION L
main87050-30730supersedes 87050-30751i201503-201510
VERSION L
main87050-30731supersedes 87050-30751i201610-202007
VERSION L
main87050-30740supersedes 87050-30760i201510-201609
VERSION L
main87050-30741supersedes 87050-30761i201610-202007
VERSION L
87103BMOTOR SUB-ASSY, BLOWER W/FAN
main87103-30470i201201-201507
main87103-30471i201510-202007
main87103-30480i201201-201507
main87103-30481i201507-201510
87107AUNIT SUB-ASSY, HEATER RADIATOR
main87107-30570i201201-201308
main87107-30571i201309-201503
main87107-30580i201503-201510
87114BCOVER, HEATER
main87114-30010i201201-201309
87124CCLAMP, HEATER
main87124-33070i201405-201510
87128GROMMET, HEATER
main87128-30050i201201-201510
87130DBLOWER ASSY
main87130-30800i201201-201211
main87130-30801i201211-201507
main87130-30802i201507-201510
main87130-30820i201201-201211
main87130-30821i201211-201507
main87130-30822i201507-201510
main87130-30830i201809-202007
main87130-30840i201809-202007
87139DELEMENT, AIR REFINER
main87139-30100i201201-201510
8715
87173DPROTECTOR HEATER
main87173-53010i201510-202007
main87173-53020i201211-201510
87296BLEVER, HEATER AIR DAMPER CONTROL
main87296-53010i201510-202007
87296DLEVER, HEATER AIR DAMPER CONTROL, NO.2
main87296-53020i201510-202007
main87296-53030i201510-202007
87710GQUICK HEATER ASSY
main87710-30050i201201-201510
COLD AREA SPEC
88501EVAPORATOR SUB-ASSY, COOLER, NO.1
main88501-3A190i201510-202007
main88501-3A200i201203-201510
main88501-3A230i201510-201805
main88501-3A231i201806-202007
main88501-53030i201510-202007
WITH(STOP & START SYSTEM)
88515VALVE, COOLER EXPANSION
main88515-30780i201201-201510
main88515-30800i201510-202007
88539CHOSE, COOLER UNIT DRAIN, NO.2
main88839-30010i201503-201510
88539JHOSE, DRAIN COOLER
main88539-30A00i201206-201510
88578BPACKING, COOLING UNIT, NO.1
main88578-3A010supersedes 88578-3A010i201201-201510
88578CPACKING, COOLING UNIT, NO.2
main88578-52130i201211-201412
main88578-52131i201501-201510
88578VPACKING, COOLING UNIT, NO.3
main88578-30890supersedes 88578-30890i201201-201510
88625THERMISTOR, COOLER, NO.1
main88620-30050i201201-201510
main88620-30290i201309-201510
88650NAMPLIFIER ASSY, AIR CONDITIONER
main88650-30M20i201203-201207
COLD AREA SPEC
main88650-30M21i201208-201309
COLD AREA SPEC
main88650-30M40i201203-201207
VERSION L&COLD AREA SPEC
main88650-30M41i201208-201309
VERSION L&COLD AREA SPEC
main88650-30M50supersedes 88650-30M30i201203-201207
VERSION L
main88650-30M51supersedes 88650-30M31i201208-201309
VERSION L
main88650-30S10supersedes 88650-30R90i201203-201207
VERSION L
main88650-30S11supersedes 88650-30R91i201208-201309
VERSION L
main88650-30S60supersedes 88650-30S40i201201-201207
VERSION L&COLD AREA SPEC
main88650-30S61supersedes 88650-30S41i201208-201309
VERSION L&COLD AREA SPEC
main88650-30S70supersedes 88650-30S50i201201-201207
VERSION L
main88650-30S71supersedes 88650-30S51i201208-201309
VERSION L
main88650-30T50supersedes 88650-30T30i201201-201207
VERSION L
main88650-30T51supersedes 88650-30T31i201208-201309
VERSION L
main88650-30Y10i201309-201409
COLD AREA SPEC
main88650-30Y30i201309-201409
VERSION L&COLD AREA SPEC
main88650-30Y40supersedes 88650-30Y20i201309-201409
VERSION L
main88650-30Y80supersedes 88650-30Y60i201309-201409
VERSION L
main88650-30Z10supersedes 88650-30Y90i201309-201409
VERSION L
main88650-30Z20supersedes 88650-30Z00i201309-201409
VERSION L
main88650-30Z60supersedes 88650-30Z40i201309-201409
VERSION L
main88650-3AA70i201409-201510
COLD AREA SPEC
main88650-3AA90i201409-201510
VERSION L&COLD AREA SPEC
main88650-3AB00supersedes 88650-3AA80i201409-201510
VERSION L
main88650-3AB40supersedes 88650-3AB20i201409-201510
VERSION L
main88650-3AB70supersedes 88650-3AB50i201409-201510
VERSION L
main88650-3AB80supersedes 88650-3AB60i201409-201510
VERSION L
main88650-3AC20supersedes 88650-3AC00i201409-201510
VERSION L
main88650-3AG20i201510-201609
COLD AREA SPEC
main88650-3AG40i201510-201609
VERSION L&COLD AREA SPEC
main88650-3AG50supersedes 88650-3AG30i201510-201609
VERSION L
main88650-3AJ30supersedes 88650-3AJ10i201510-201609
VERSION L
main88650-3AJ80i201510-201609
COLD AREA SPEC
main88650-3AK00i201510-201609
VERSION L&WITH(STOP & START SYSTEM)&COLD AREA SPEC
main88650-3AK10supersedes 88650-3AJ90i201510-201609
VERSION L
main88650-3AK60i201510-201609
WITH(STOP & START SYSTEM)&COLD AREA SPEC
main88650-3AL00supersedes 88650-3AK80i201510-201609
VERSION L
main88650-3AS50i201609-201708
COLD AREA SPEC
main88650-3AS51i201709-202007
COLD AREA SPEC
main88650-3AS70i201609-201708
VERSION L&COLD AREA SPEC
main88650-3AS71i201709-202007
VERSION L&COLD AREA SPEC
main88650-3AS80supersedes 88650-3AS60i201609-201708
VERSION L
main88650-3AS81supersedes 88650-3AS61i201709-202007
VERSION L
main88650-3AT60supersedes 88650-3AT40i201609-201708
VERSION L
main88650-3AT61supersedes 88650-3AT41i201709-202007
VERSION L
main88650-3AU10i201609-202007
COLD AREA SPEC
main88650-3AU30i201609-202007
VERSION L&WITH(STOP & START SYSTEM)&COLD AREA SPEC
main88650-3AU40supersedes 88650-3AU20i201609-202007
VERSION L
main88650-3AU90i201609-202007
WITH(STOP & START SYSTEM)&COLD AREA SPEC
main88650-3AV30supersedes 88650-3AV10i201609-202007
VERSION L
88710ATUBE ASSY, AIR CONDITIONER
main88710-3A410supersedes 88710-3A410i201510-202007
88897KGROMMET, (FOR COOLER PIPE)
main88897-11020i201803-202007
main88897-35030i201201-201510
88897MGROMMET (FOR HEATER PIPE)
main87128-30060i201503-201510
main87128-35020i201201-201502
88899NPLATE, COVER
main88899-3A090i201201-201510
8712730040PACKING, HEATER AIR DAMPER
8712730050PACKING, HEATER AIR DAMPER
8742953010PIPE, COMBUSTION HEATER OUTLET
8857853020PAKING, COOLER AIR DUCT
8889230620BRACKET, COOLER EVAPORATOR MOUNTING
8889944050COVER, EVAPORATOR
9009900318
9009914119
9009914120
9009914121
9011906952
9015950327
9015960195
9015960431
9017906282

42 parts on this diagram · 4 diagrams in section

HEATING & AIR CONDITIONING - COOLER UNIT — Toyota Parts Diagram with OEM Numbers & Prices | EPC Data