E
EPC Data

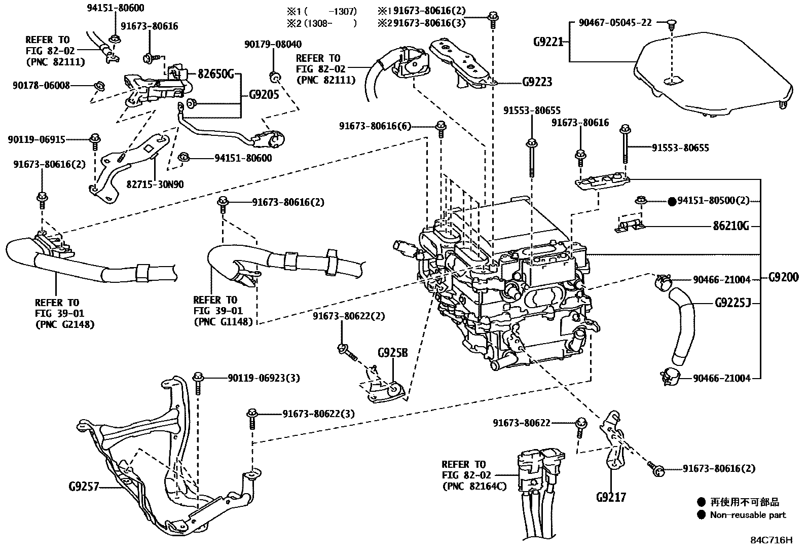
HEV INVERTER

Parts diagram
3901
8202
82650GBLOCK ASSY, TERMINAL
main82650-30030i201203-201510
86210GFUSE, HIGH VOLTAGE
main90982-11050i201203-201510
G9200INVERTER ASSY, W/CONVERTER
mainG92A030020i201203-201308
mainG92A030021i201510-202007
mainG92A030030i201203-201308
mainG92A030031i201510-202007
mainG92A030051i201309-201402
mainG92A030052i201403-201510
mainG92A053011i201309-201402
mainG92A053012i201403-201510
G9205PLATE SUB-ASSY, INVERTER BUS-BAR
mainG920530020i201510-202007
mainG920530030i201510-202007
G9217BRACKET, INVERTER, NO.4
mainG921730030i201203-201510
mainG921730040i201203-201510
G9221COVER, INVERTER
mainG913030020i201203-201307
mainG913030021i201308-201504
mainG913030022i201510-202007
mainG914030010i201203-201307
mainG914030011i201308-201504
mainG914030012i201505-201510
G9223COVER, INVERTER TERMINAL
mainG922330020i201203-201307
mainG922330021i201510-202007
mainG922330030i201203-201307
mainG922330031i201308-201510
G9225JHOSE, INVERTER COOLING, NO.1
mainG922530210i201203-201510
G9257BRACKET, INVERTER, NO.5
mainG925730050i201203-201510
mainG925730060i201203-201510
G925BBRACKET, INVERTER, NO.6
mainG925B30030i201203-201510
mainG925B30040i201203-201510
8271530N90BRACKET,WIRING HARNESS CLAMP
9011906915
9011906923
9017806008
9017908040
9046621004
904670504522
9155380655
9167380616
9167380622
9415180500
9415180600

24 parts on this diagram · 2 diagrams in section

HEV INVERTER — Toyota Parts Diagram with OEM Numbers & Prices | EPC Data