E
EPC Data

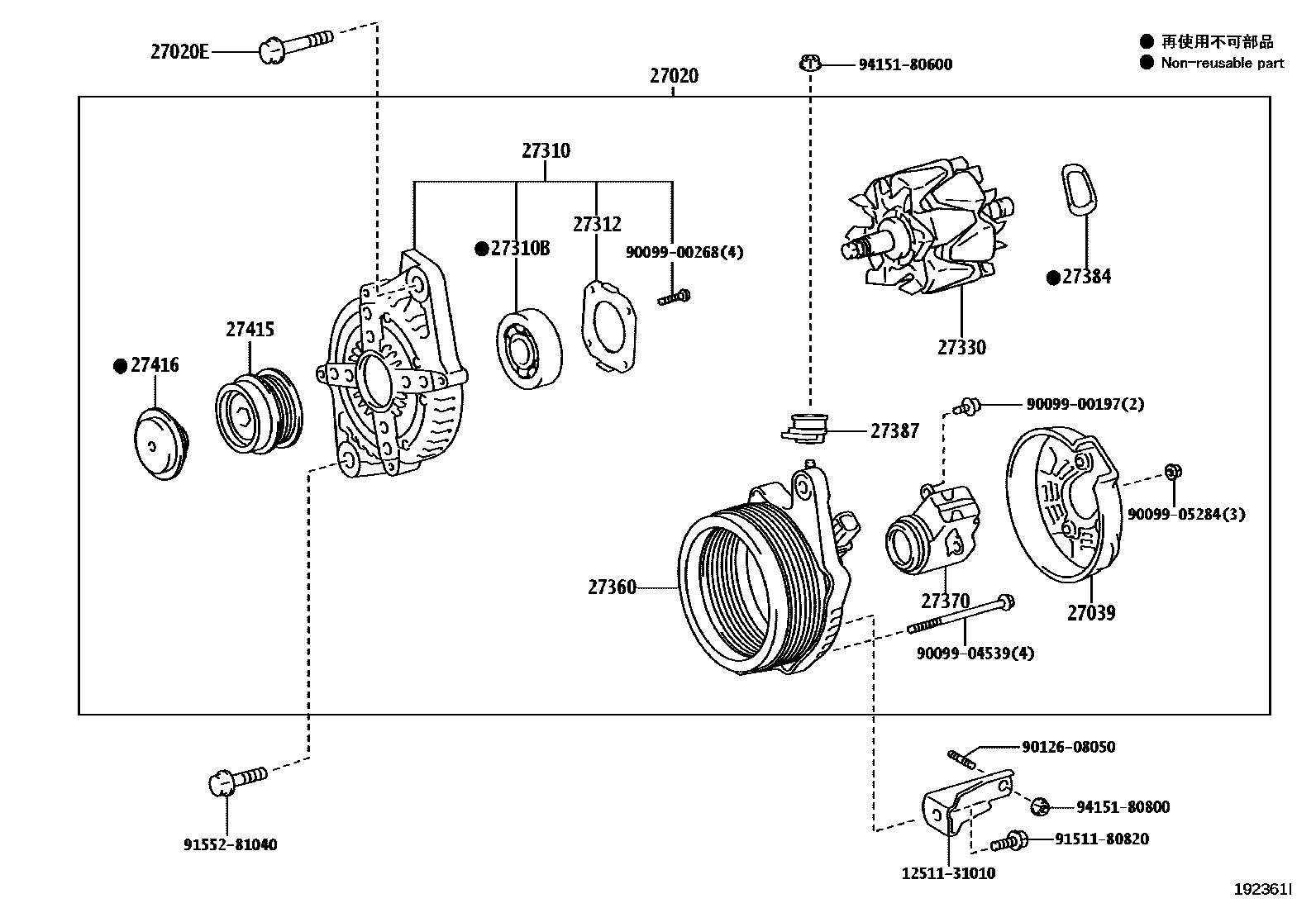
ALTERNATOR

Parts diagram
27020ALTERNATOR ASSY
main27060-31040i200501-200705
12V 130A
main27060-31041i200706-200810
12V 130A
main27060-31042i200811
12V 130A
main27060-31050i200501-200705
12V 150A
main27060-31051i200706-200810
12V 150A
main27060-31052i200811
12V 150A
main27060-31062i200907
12V 150A
main27060-38060i200709
12V 180A
main27060-50340i200501-200809
12V 130A
27020EBOLT(FOR ALTERNATOR)
main90105-10557i200709
main90119-10791i200501-200809
main91552-81070i200501-200709
27039COVER, ALTERNATOR REAR END
main27039-27060i200501-200906
main27039-30080i200501-200602
main27039-31390i200906
main27039-38130i200709
main27039-50370i200602-200707
main27039-50430i200708-200809
27310FRAME ASSY, DRIVE END, ALTERNATOR
main27310-31220i200501-200709
main27310-38130i200709
main27310-50310i200501-200809
27310BBEARING(FOR ALTERNATOR DRIVE END FRAME)
main90099-10142i200501-200612
main90099-10223i200612-200709
main90099-10226i200709
27312PLATE, RETAINER
main27312-42010i200709
main27312-72100i200501-200709
27330ROTOR ASSY, ALTERNATOR
main27330-20130i200501-200602
main27330-33090i200501-200709
main27330-38130i200709-200805
main27330-38140i200805
main27330-58460i200501-200709
27360COIL ASSY, ALTERNATOR
main27360-31230i200501-200709
main27360-31240i200501-200709
main27360-31250i200907
main27360-38150i200709
main27360-50290i200602-200809
main27360-50390i200501-200602
27370HOLDER ASSY, ALTERNATOR BRUSH
main27370-20130i200501-200602
main27370-31220i200501-200709
main27370-58460i200602-200709
27384WASHER
main27384-38130i200709
main27384-50030i200501-200709
27387INSULATOR, TERMINAL
main27387-20130i200501-200709
main27387-38130i200709
main27387-50310i200501-200809
27415PULLEY, ALTERNATOR W/CLUTCH
main27415-0W010i200501-200810
main27415-0W130i200811-201112
27416CAP, ALTERNATOR PULLEY
main27416-0W010i200501-200810
main27416-0W050i200811-201112
1251131010BRACKET, ALTERNATOR, NO.1
9009900197
9009900268
9009904539
9009905284
9012608050
9151180820
9155281040
9415180600
9415180800

23 parts on this diagram · 3 diagrams in section

ALTERNATOR — Toyota Parts Diagram with OEM Numbers & Prices | EPC Data