E
EPC Data

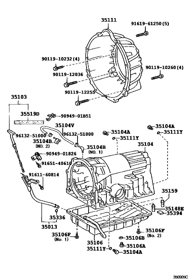
TRANSMISSION CASE & OIL PAN (ATM)

Parts diagram
35013TUBE SUB-ASSY, TRANSMISSION OIL FILLER
main35013-30490i199708-200007
main35013-30500i199708
main35013-30610i200007
main35013-50060i200007
35103GAGE SUB-ASSY, TRANSMISSION OIL LEVEL
main35103-30590i199708-199908
main35103-30591i199908-200007
main35103-30600i199708-199908
main35103-30601i199908-200007
main35103-30750i200007
main35103-30760i200007
main35103-30770i200007
35104CASE SUB-ASSY, AUTOMATIC TRANSMISSION
main35104-30200i199708-200501
35104APLUG, AUTOMATIC TRANSMISSION CASE
main90341-08001×3i199708-200501
35104BPLUG, BREATHER, NO.1 (ATM)
main90930-03098i199708-200501
NO.1
main90930-03149i199708-200012
NO.2
main90930-03168i200012-200501
NO.2
35104VHOSE (FOR BREATHER PLUG)
main90445-10020i200007-200501
main90447-11036i199708-200501
35106PAN SUB-ASSY, AUTOMATIC TRANSMISSION OIL
main35106-30140i199708-199803
main35106-30210i199803-200501
main35106-30240i200007-200501
35106APLUG SUB-ASSY, DRAIN (ATM)
main90341-10011i200007-200501
main90341-10018i199708-200007
35106BGASKET, DRAIN PLUG (ATM)
main35178-30010i200304-200501
main35178-50010i199708-200304
35106FBOLT (FOR AUTOMATIC TRANSMISSION OIL PAN)
main90119-06513×18i199708
NO.1
main90119-06866i199708-200501
NO.2
35111HOUSING, AUTOMATIC TRANSMISSION
main35111-30150i199708-200501
main35111-50010i200007-200501
35111YRING, O (FOR AUTOMATIC TRANSMISSION CASE)
main90301-06196×3i199708-200501
35148EGASKET, BRAKE DRUM, NO.2
main35148-30010i199708-200501
35159GASKET, BRAKE DRUM
main35159-30020i199708-200501
35336RING, O (FOR TRANSMISSION OIL FILLER TUBE)
main90301-09011i200007
main90301-09173i199708
35394MAGNET, OIL CLEANER (FOR TRANSMISSION)
main35394-30011×3i199708-200501
35519DLABEL, AUTOMATIC TRANSMISSION INFORMATION
main35519-20030i199908
main35519-30010i199708-199908
9011910232
9011910260
9011912036
9011912255
9094901826
9094901B51
9161160814
9161961250
9165140610
9613251000

27 parts on this diagram · 2 diagrams in section

TRANSMISSION CASE & OIL PAN (ATM) — Toyota Parts Diagram with OEM Numbers & Prices | EPC Data