E
EPC Data

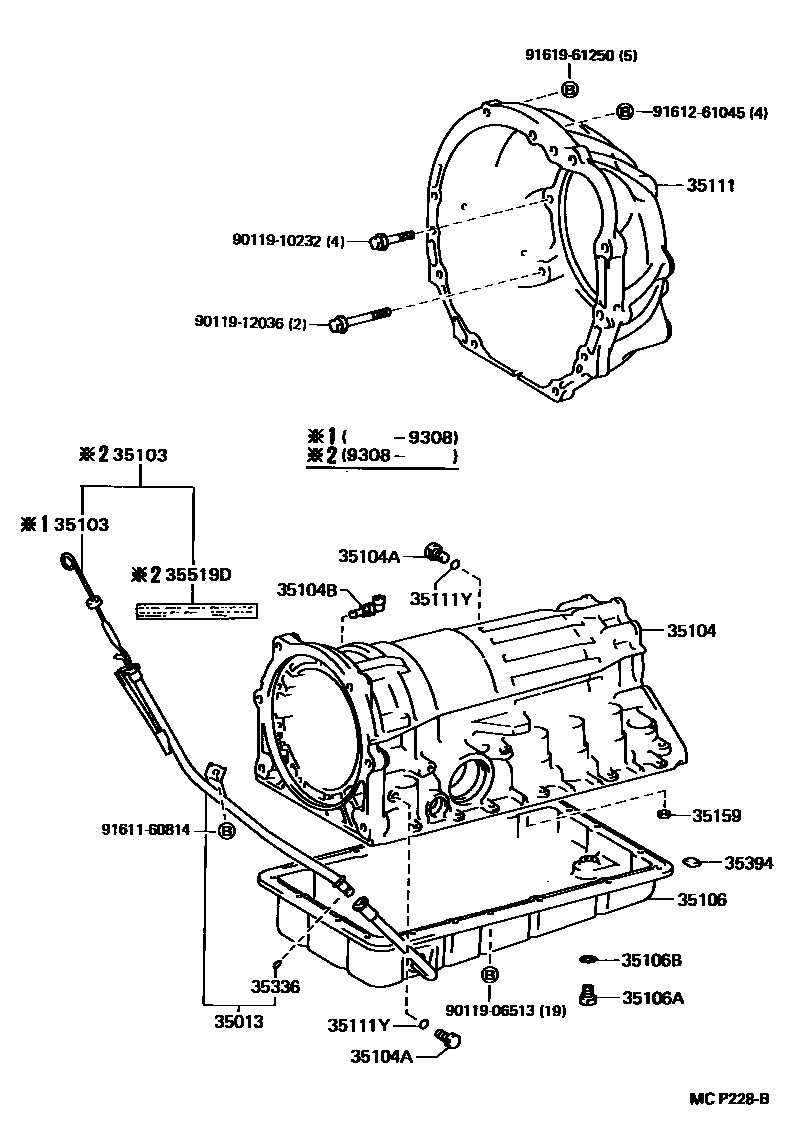
TRANSMISSION CASE & OIL PAN (ATM)

Parts diagram
35013TUBE SUB-ASSY, TRANSMISSION OIL FILLER
main35013-30300i199303-199708
35103GAGE SUB-ASSY, TRANSMISSION OIL LEVEL
main35103-30301i199303-199308
main35103-30302i199308-199708
35104CASE SUB-ASSY, AUTOMATIC TRANSMISSION
main35104-30170i199303-199708
35104APLUG, AUTOMATIC TRANSMISSION CASE
main90341-08001×2i199303-199708
35104BPLUG, BREATHER, NO.1 (ATM)
main90930-03108i199303-199708
35106PAN SUB-ASSY, AUTOMATIC TRANSMISSION OIL
main35106-24020i199308-199708
main35106-30130i199303-199308
35106APLUG SUB-ASSY, DRAIN (ATM)
main90341-10012i199303-199708
35106BGASKET, DRAIN PLUG (ATM)
main35178-50010i199303-199708
35111HOUSING, AUTOMATIC TRANSMISSION
main35111-30150i199303-199708
35111YRING, O (FOR AUTOMATIC TRANSMISSION CASE)
main90301-06196×2i199303-199708
35159GASKET, BRAKE DRUM
main35159-30010i199303-199708
35336RING, O (FOR TRANSMISSION OIL FILLER TUBE)
main90301-09173i199303-199708
35394MAGNET, OIL CLEANER (FOR TRANSMISSION)
main35394-30011×4i199303-199305
35519DLABEL, AUTOMATIC TRANSMISSION INFORMATION
main35519-24020i199308-199708
9011906513
9011910232
9011912036
9161160814
9161261045
9161961250

20 parts on this diagram · 1 diagram in section

TRANSMISSION CASE & OIL PAN (ATM) — Toyota Parts Diagram with OEM Numbers & Prices | EPC Data