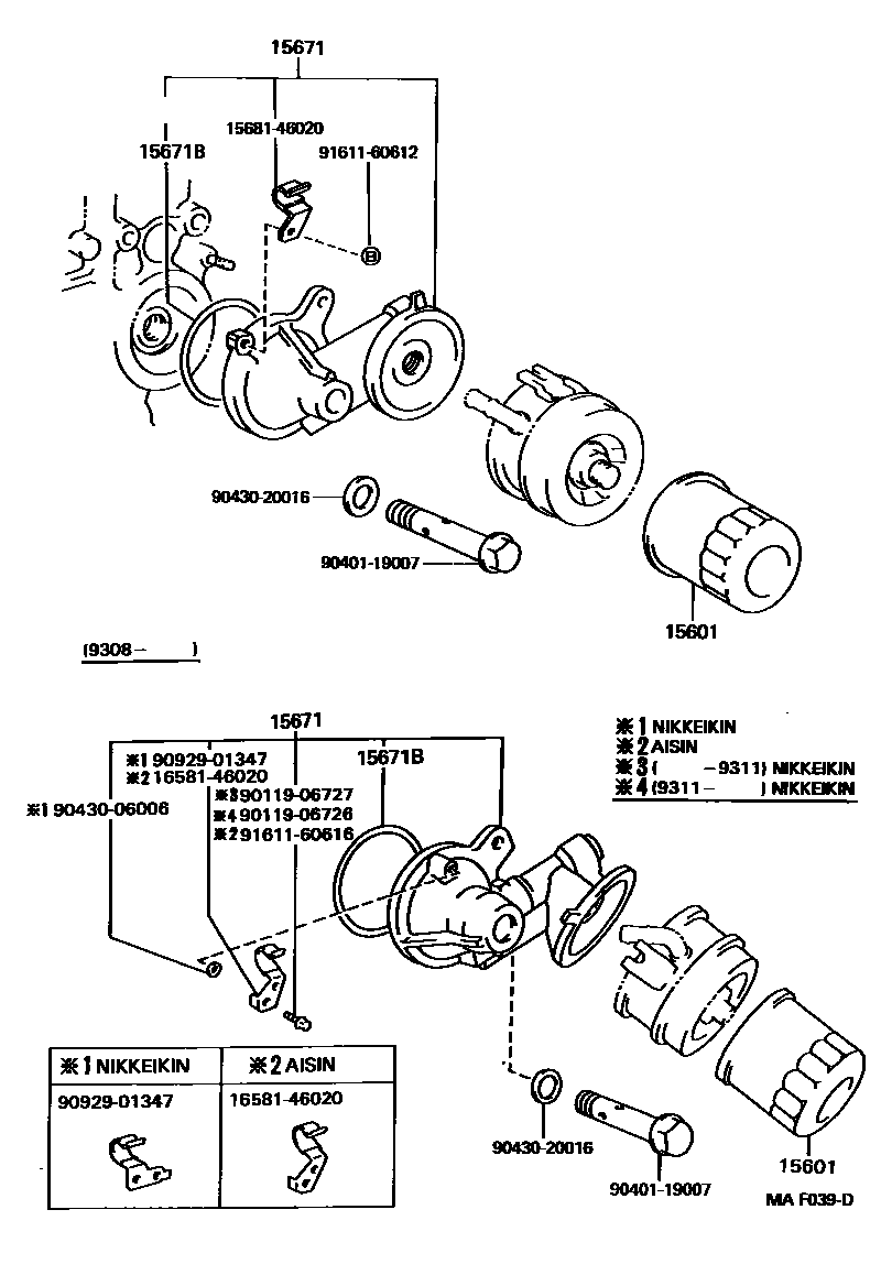
OIL FILTER

15601FILTER SUB-ASSY, OIL
sub90915-20003
15671BRACKET, OIL FILTER
1568146020
main15681-46020
1658146020CLAMP, HOSE(FOR WATER HOSE)
main16581-46020
9011906726
main90119-06726
9011906727
main90119-06727
9040119007
main90401-19007
9043006006
main90430-06006
9043020016
main90430-20016
9092901347
main90929-01347
9161160612
main91611-60612
9161160616
main91611-60616
13 parts on this diagram · 1 diagram in section