E
EPC Data

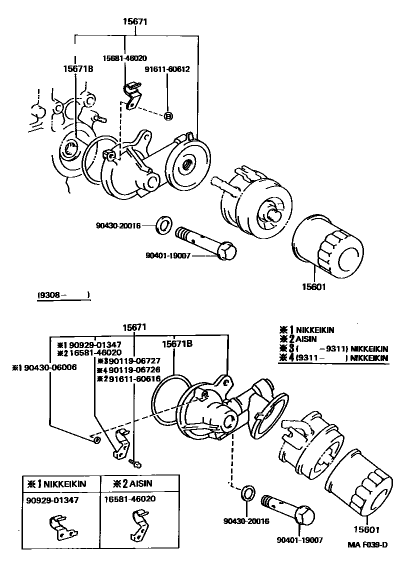
OIL FILTER

Parts diagram
15601FILTER SUB-ASSY, OIL
main90915-20001i199303-199708
15671BRACKET, OIL FILTER
main15670-46030i199303-199308
main15670-46062i199501-199505
main15670-46110i199308-199708
15671BGASKET, OIL FILTER BRACKET
main15188-46010i199303-199305
main90301-68004i199305-199708
1568146020
1658146020CLAMP, HOSE(FOR WATER HOSE)
9011906726
9011906727
9040119007
9043006006
9043020016
9092901347
9161160612
9161160616

13 parts on this diagram · 1 diagram in section

OIL FILTER — Toyota Parts Diagram with OEM Numbers & Prices | EPC Data