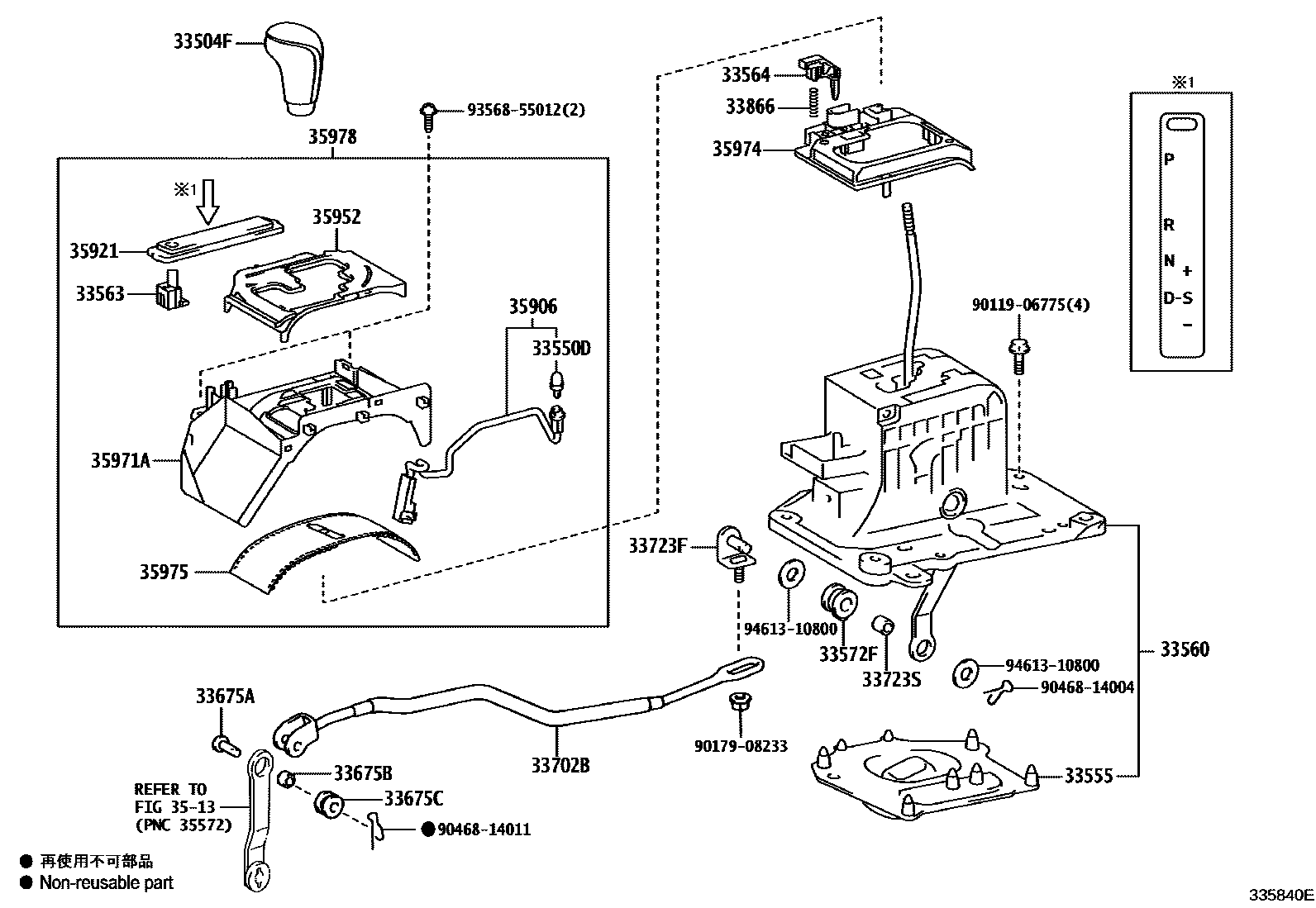
SHIFT LEVER & RETAINER

33504FKNOB SUB-ASSY, SHIFT LEVER
BLACK & DK.BROWN,TRIM1#
DK. BROWN & DK.BROWN,TRIM0#
33550DBULB, POSITION INDICATOR LAMP
14V 1.4W
33555BOOT, SHIFT LEVER
33560UNIT ASSY, SHIFT LOCK CONTROL
33563BUTTON, SHIFT LOCK RELEASE
33564LINK, SHIFT LOCK RELEASE, NO.1
33572FBUSH, CONTROL SHAFT LOWER
33675APIN, W/HOLE (FOR TRANSMISSION CONTROL ROD)
33675BBUSH (FOR TRANSMISSION CONTROL ROD)
33675CGROMMET (FOR TRANSMISSION CONTROL ROD)
33702BROD SUB-ASSY, GEAR SHIFTING, NO.1 (FOR FLOOR SHIFT)
33723FSWIVEL, CONNECTING ROD (FOR FLOOR SHIFT)
33723SBUSH (FOR CONNECTING ROD SWIVEL)
33866SPRING, SHIFT LOCK RELEASE
3513THROTTLE LINK & VALVE LEVER (ATM)
35906WIRE SUB-ASSY, INDICATOR LAMP
35921PLATE, CONTROL POSITION INDICATOR
35952LENS, POSITION INDICATOR
35971AHOUSING, POSITION INDICATOR, UPPER
35974HOUSING, POSITION INDICATOR, LOWER
35975COVER, SLIDE (FOR POSITION INDICATOR)
35978INDICATOR, SHIFT POSITION
9011906775
main90119-06775
9017908233
main90179-08233
9046814004
main90468-14004
9046814011
main90468-14011
9356855012
main93568-55012
9461310800
main94613-10800
28 parts on this diagram · 1 diagram in section