E
EPC Data

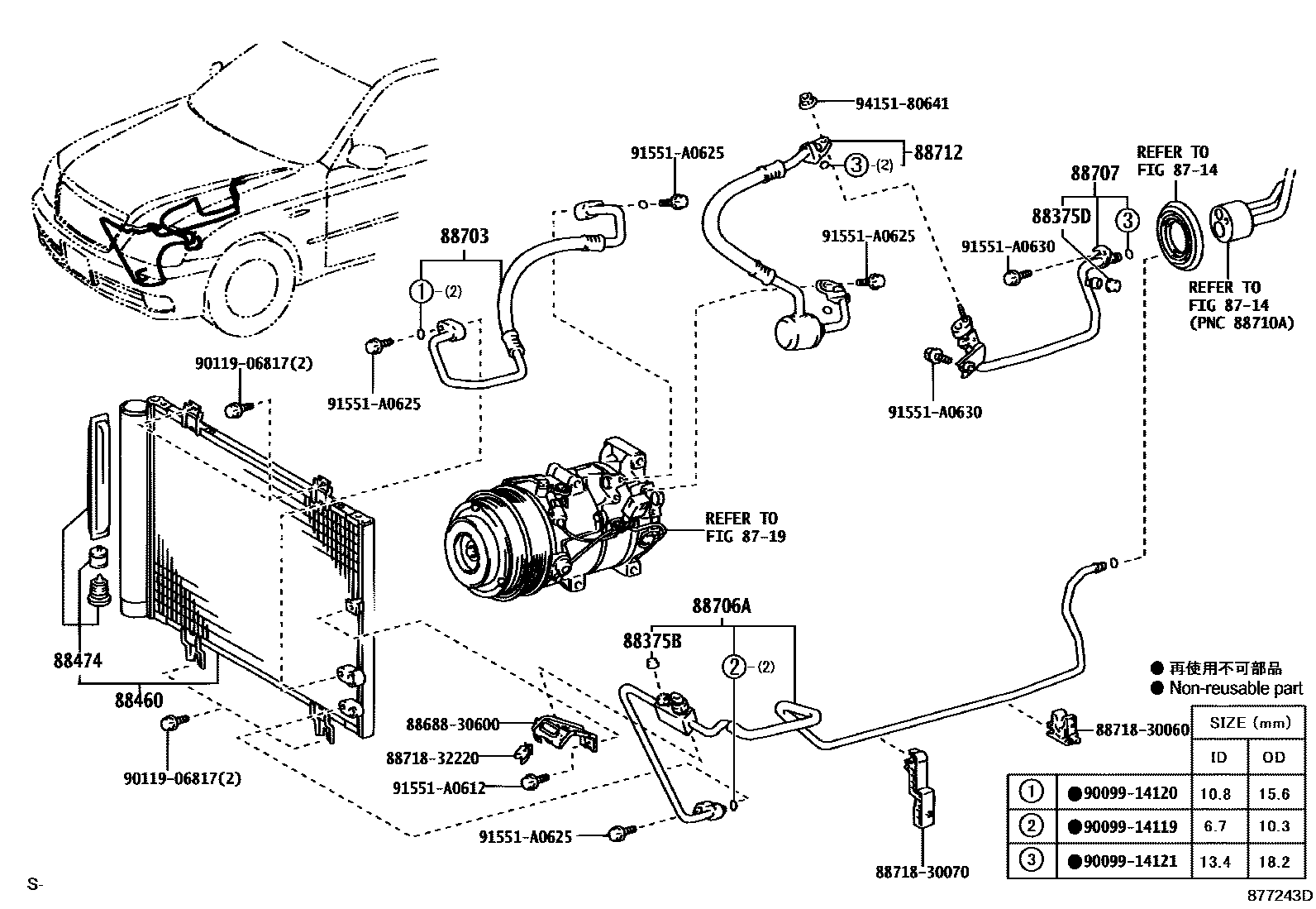
HEATING & AIR CONDITIONING - COOLER PIPING

Parts diagram
8714HEATING & AIR CONDITIONING - COOLER UNIT
8719HEATING & AIR CONDITIONING - COMPRESSOR
88375BCAP, SERVICE VALVE, NO.1
main88375-30280i200411-200509
88375DCAP, SERVICE VALVE, NO.2
main88375-30290i200411-200509
88460CONDENSER ASSY, COOLER
main88460-30861i200411-200509
88474DRYER, COOLER
main88474-17010i200411-200509
88703HOSE SUB-ASSY, DISCHARGE
main88711-3A580i200411-200509
88706ATUBE SUB-ASSY, LIQUID, A
main88706-3A380supersedes 88706-3A390i200704-200802
WITH(REAR AIR CONDITIONER)
88707PIPE SUB-ASSY, SUCTION
main88707-30680supersedes 88707-30690i200509-200704
WITH(REAR AIR CONDITIONER)&REAR AIR CONDITIONER-AUTO(AUTO AIR PURIFIRE & COOL BOX)
88712HOSE, COOLER REFRIGERANT SUCTION, NO.1
main88712-30160i200509-200802
8868830600BRACKET, COOLER DIAPHRAGM
8871830060PIPE, COOLER REFRIGERANT SUCTION, NO.2
8871830070PIPE, COOLER REFRIGERANT SUCTION, NO.2
8871832220PIPE, COOLER REFRIGERANT SUCTION, NO.2
9009914119
9009914120
9009914121
9011906817
91551A0612
91551A0625
91551A0630
9415180641

22 parts on this diagram · 3 diagrams in section

HEATING & AIR CONDITIONING - COOLER PIPING — Toyota Parts Diagram with OEM Numbers & Prices | EPC Data