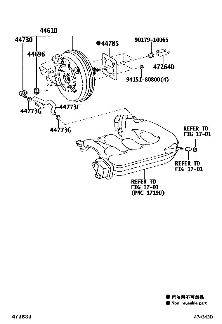
BRAKE BOOSTER & VACUUM TUBE

1701
44610BOOSTER ASSY, BRAKE
sub44610-30A01
44696GROMMET, CHECK VALVE
44730VALVE ASSY, VACUUM CHECK(FOR BRAKE)
44773FHOSE, UNION TO CHECK VALVE
44773GCLIP(FOR UNION TO CHECK VALVE HOSE)
44785GASKET, BRAKE BOOSTER
47264DCLEVIS, BRAKE MASTER CYLINDER PUSH ROD
9017910065
main90179-10065
9415180800
main94151-80800
10 parts on this diagram · 1 diagram in section