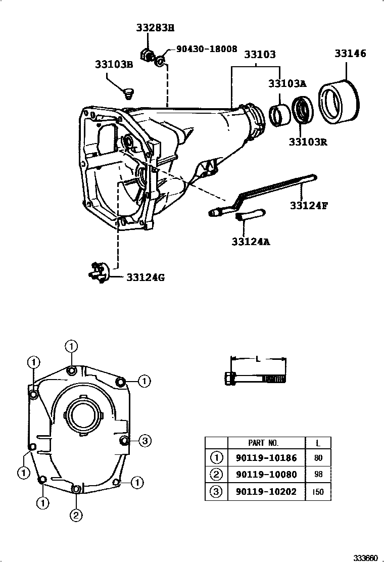
EXTENSION HOUSING (MTM)

33103HOUSING SUB-ASSY, EXTENSION(MTM)
33103ABUSH(FOR MANUAL TRANSMISSION EXTENSION HOUSING)
33103BPLUG, BREATHER(FOR TRANSMISSION EXTENSION HOUSING)
33103RSEAL, OIL(FOR MANUAL TRANSMISSION EXTENSION HOUSING)
33124ACLAMP(FOR TRANSMISSION OIL RECEIVER PIPE)
33124FPIPE, OIL RECEIVER, NO.1(FOR EXTENSION HOUSING)
33124GPIPE, OIL RECEIVER, NO.2(FOR EXTENSION HOUSING)
33146DEFLECTOR, EXTENSION HOUSING DUST(MTM)
33283HPLUG, W/HEAD STRAIGHT SCREW
9011910080
main90119-10080
9011910186
main90119-10186
9011910202
main90119-10202
9043018008
main90430-18008
13 parts on this diagram · 2 diagrams in section