E
EPC Data

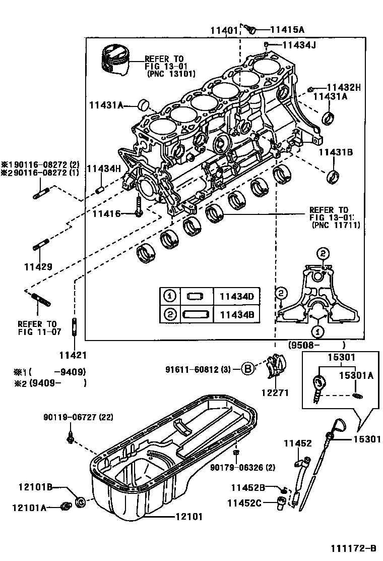
CYLINDER BLOCK

Parts diagram
1107
11401BLOCK SUB-ASSY, CYLINDER
main11401-49665i199110-199505
main11401-49666i199505-199604
main11401-49667i199604-200103
main11401-49668i200103-200104
main11401-59347i199110-199512
main11401-79206i199110-199512
main11401-79415i199110
11415COCK SUB-ASSY, WATER DRAIN(FOR CYLINDER BLOCK)
main90345-53030i199402-199512
main96431-53828i199110-199512
11415APLUG, WATER DRAIN COCK(FOR CYLINDER BLOCK)
main90910-09102i199110-200104
main96431-23814i199110
main96432-23814i199110-199512
11416BOLT(FOR CRANKSHAFT BEARING CAP SET)
main90105-10028i199110
main90910-02032i199110-199512
main90910-02061i199110-199512
main90910-02104i199110-200104
11421BOLT, STUD(FOR OIL PAN)
main90116-06014i199110
11429BOLT, STUD(FOR ALTERNATOR BRACKET)
main90116-10051i199110
11431APLUG, TIGHT, NO.1(FOR CYLINDER BLOCK)
main96411-01800i199110-199512
main96411-42500i199110-200104
main96411-43500i199110
11431BPLUG, TIGHT, NO.2(FOR CYLINDER BLOCK)
main96411-43500i199110-200104
main96411-44000i199110
11432HPLUG, W/HEAD TAPER SCREW, NO.5
main90344-53015i199110
11434BPIN, STRAIGHT(FOR CLUTCH HOUSING SET)
main90250-08120i199110-199512
L=18,OD=8
main90250-10113i199110-199512
L=22,OD=10
main90250-10192i199110-200104
L=22,OD=10
11434DPIN, STRAIGHT(FOR ENGINE REAR OIL SEAL)
main90250-06003i199110-200104
L=14,OD=6
main90250-06015i199110
L=11,OD=6
main90253-11021i199110-199512
L=8,OD=11
11434HPIN, RING (FOR TIMING BELT COVER SET)
main90253-11021i199110
11434JPIN, RING (FOR CYLINDER HEAD SET)
main90253-13017i199110
main90253-14003i199110-200104
main90253-15016i199110-199512
11452GUIDE, OIL LEVEL GAGE
main11452-40010i199110-199512
main11452-46020i199110-200104
main11452-54080i199110-199512
main11452-70020i199110-199508
main11452-70050i199508
11452BRING, O(FOR OIL LEVEL GAGE GUIDE)
main96721-19010i199110
11452CUNION(FOR OIL LEVEL GAGE GUIDE)
main11459-70010i199808
main90405-10016i199110-199808
12101PAN SUB-ASSY, OIL
main12101-54142i199110-199512
main12101-70021i199110
main12101-72010i199110-199512
main12111-46031i199110-199702
main12111-46032i199702-200104
12101APLUG(FOR OIL PAN DRAIN)
main90341-12012i199110-199512
main90341-12026i199110-200104
12101BGASKET(FOR OIL PAN DRAIN PLUG)
main90430-12027i199110-199312
main90430-12028i199110-199207
main90430-12031i199112-200104
12271SCREEN, OIL SEPARATOR
main12271-70010i199110
1301
15301GAGE SUB-ASSY, OIL LEVEL
main15301-46020i199110-199209
main15301-46021i199209-199304
main15301-46022i199304-199508
main15301-46023i199508-200104
main15301-54070i199110-199512
main15301-70050i199110-199508
main15301-70080i199508
main15301-72010i199110-199512
15301ARING, O(FOR OIL LEVEL GAGE)
main96741-19005i199508-200104
9011608272
9011906727
9017906326
9161160812

28 parts on this diagram · 4 diagrams in section

CYLINDER BLOCK — Toyota Parts Diagram with OEM Numbers & Prices | EPC Data