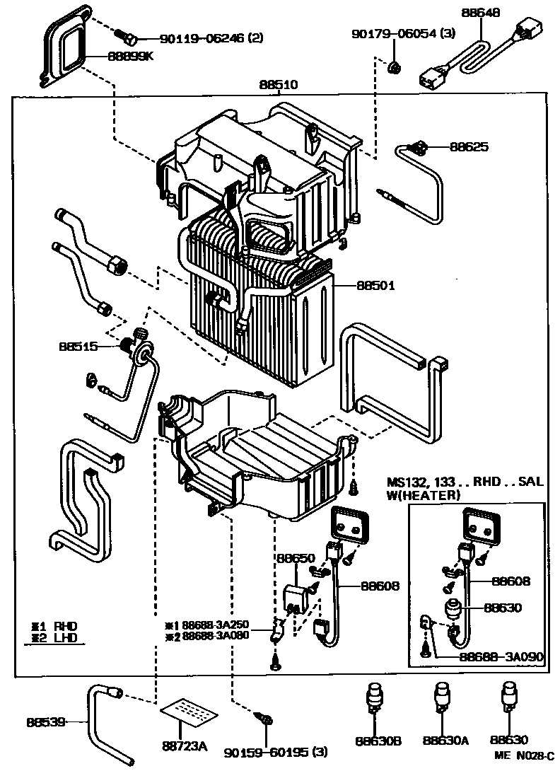
HEATING & AIR CONDITIONING - COOLER UNIT

88501EVAPORATOR SUB-ASSY, COOLER, NO.1
REAR
main88501-30630iMS132,133..RHD..(DLX,SAL); MS133..SAL..GEN;LS130,MS132,135..RHD..(4F,4FC,4H,4HC)..(ROY,STD)198709-199110
FRONT; W(HEATER),FRONT
FRONT
REAR
88510UNIT ASSY, COOLER
REAR
FRONT
FRONT
W(HEATER),FRONT
FRONT
FRONT
FRONT
FRONT
FRONT
FRONT
FRONT
REAR
88515VALVE, COOLER EXPANSION
REAR
FRONT; W(HEATER),FRONT
FRONT; W(HEATER),FRONT
FRONT
FRONT
FRONT
FRONT
88539HOSE, COOLER UNIT DRAIN, NO.1
FRONT
REAR
REAR
88608HARNESS SUB-ASSY, WIRING AIR CONDITIONER
REAR
FRONT
main88608-30610iLS130,MS132,YS132..LHD..(DLX,STD); MS132,133..(SAL,SALEX)..GCC; MS132..LHD..SAL..GEN; MS132..RHD..(DLX,SAL)198709-198908
FRONT; W(HEATER),FRONT
W(HEATER),FRONT
REAR
88625THERMISTOR, COOLER, NO.1
88630RELAY ASSY, COOLER
main90987-02004×2iMS132,135..ROY; MS132..4F;LS130,MS135,YS132;MS132,133..DLX,ROY,SAL,SALEX198709-199110
88630ARELAY ASSY, COOLER
88630BRELAY ASSY, COOLER
88648WIRING, COOLER, NO.1
88650AMPLIFIER ASSY, COOLER STABILIZER
REAR
FRONT
FRONT
FRONT; W(HEATER),FRONT
88723ALABEL, COOLER SERVICE CAUTION
88899KPLATE, COVER
886883A080BRACKET, COOLER DIAPHRAGM
main88688-3A080
886883A090BRACKET, COOLER DIAPHRAGM
main88688-3A090
886883A250BRACKET, COOLER DIAPHRAGM
main88688-3A250
9011906246
main90119-06246
9015960195
main90159-60195
9017906054
main90179-06054
19 parts on this diagram · 5 diagrams in section