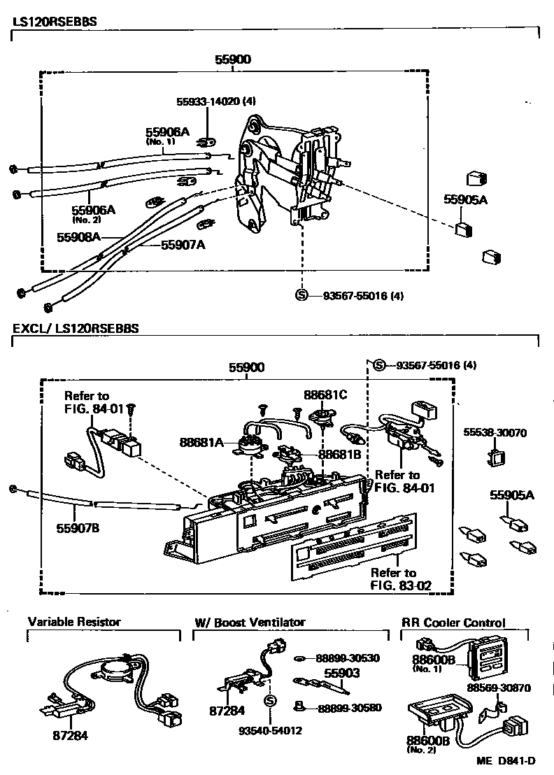
55900CONTROL ASSY, AIR CONDITIONER
main55900-30140iLS120,MS122,YS120..RHD..(4F,4FC,4HC,5F)..(SAL,STD)198308-198509 W/HEATER
main55900-30150iMS122,YS120..RHD..(SAL,STD)198308-198509 W/HEATER & COOLER
main55900-30180iLS120,MS122,123,YS120..LHD..(SAL,STD)198308-198509 W/HEATER
main55900-30190iMS122,123,YS120..LHD..(SAL,STD)198308-198509 W/HEATER & COOLER
main55900-30200iLS120..4F,5F;LS120..LHD..STD;MS122,YS120..SAL,STD198308-198509 W/*BV
main55900-30210iLS120..4F,5F;LS120..LHD..STD;MS122,YS120..SAL,STD198308-198509 W/*BV & COOLER
main55900-30230iLS120,MS122,YS120..RHD..(4F,4FC,4HC,5F)..(SAL,STD)198509-198708 W/HEATER
main55900-30240iLS120..4F; MS122,YS120..RHD..(SAL,STD)198509-198708 W/HEATER & COOLER
main55900-30260iLS120,MS122,YS120..LHD..(DLX,SAL,STD)198509-198708 W/HEATER
main55900-30270iLS120,MS122,YS120..LHD..(DLX,SAL,STD)198509-198708 W/HEATER & COOLER
main55900-30280iLS120..LHD;LS120,MS122..4F;MS122,YS120..SAL,STD198509-198708 W/*BV
main55900-30290iLS120..4F;LS120..LHD;MS122,YS120..DLX,SAL,STD198509-198708 W/*BV & COOLER
55903LEVER SUB-ASSY, HEATER CONTROL
main88899-30570iLS120..4F,5F;LS120..LHD..STD198308-198708 55905AKNOB, HEATER CONTROL
main55905-30080iLS120..4F;LS120..LHD; MS122..RHD..4FC..SAL198509-198708 W/*BV; W/*BV,SINGAPORE SPEC
main55905-30081×4iMS12#,YS120;LS120..4F,5F;LS120..LHD..STD198308-198509 55906ACABLE SUB-ASSY, DEFROSTER DAMPER CONTROL
55907ACABLE SUB-ASSY, WATER VALVE CONTROL
55907BCABLE SUB-ASSY, TEMPERATURE DAMPER CONTROL
main55907-30130iLS120,MS122,YS120..RHD..(4F,4FC,4HC,5F)..(SAL,STD)198308-198708 main55907-30140iLS120,MS122,123,YS120..LHD..(DLX,SAL,STD)198308-198708 55908ACABLE SUB-ASSY, AIR INLET DAMPER CONTROL
8401SWITCH & RELAY & COMPUTER
87284RESISTOR SUB-ASSY, VARIABLE
main88622-30290iMS122,YS120..(DLX,SAL,STD)..GEN198509-198708 88600BPANEL ASSY, CONTROL
main88600-30680iMS12#..SED..(4FC,5F)..(ARL,GEN); MS125..SAA198509-198602 NO.2(CONSOL)
main88600-30681iMS12#..SED..(4FC,5F)..(ARL,GEN); MS125..SAA198602-198708 NO.2(CONSOL)
main88600-30720iMS123,125;MS122..SED..(ROY,SAL)198509-198708 NO.1(INSTRUMENT PANEL)
88681ASWITCH, HEATER CONTROL VACUUM, NO.1
main88681-30350iLS120,MS122,YS120..LHD..(SAL,STD)198308-198509 W/BOOST VENTILATOR
main88681-30360iLS120,MS122,123,YS120..LHD..(SAL,STD)198308-198708 W/HEATER
88681BSWITCH, HEATER CONTROL VACUUM, NO.2
main88681-30370iLS120..4F,5F;LS120..LHD..STD;MS122,123,YS120..DLX,SAL,STD198308-198708 88681CSWITCH, HEATER CONTROL VACUUM, NO.3
main88681-30380iMS12#,YS120;LS120..4F,5F;LS120..LHD..STD198308-198509 5553830070RETAINER,GLOVE COMPARTMENT
5593314020GUIDE, LEVER, NO.2
8856930870CLAMP (FOR COOLER RELAY)
8889930530COVER, EVAPORATOR
8889930580COVER, EVAPORATOR