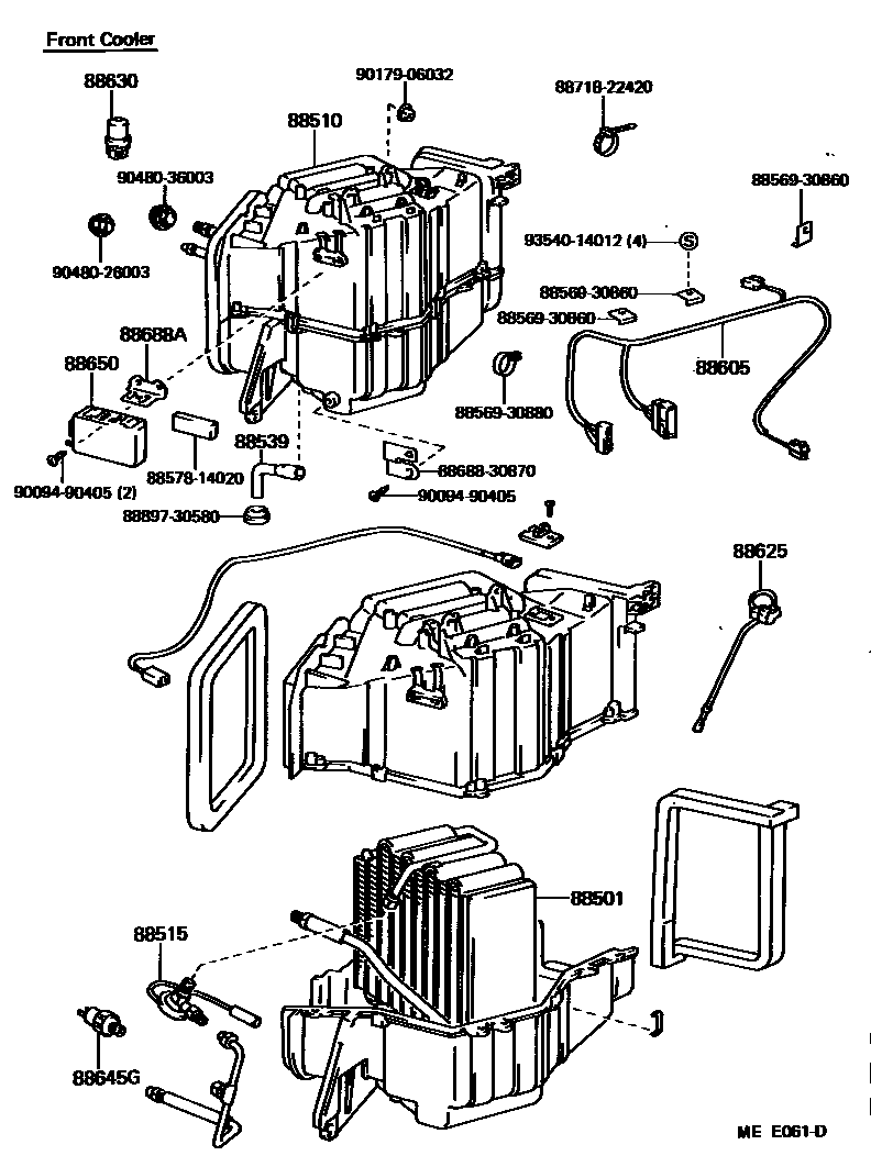
HEATING & AIR CONDITIONING - COOLER UNIT

88501EVAPORATOR SUB-ASSY, COOLER, NO.1
RR COOLER
FR COOLER
FR COOLER
FR COOLER
FR COOLER
88510UNIT ASSY, COOLER
RR COOLER
FR COOLER
FR COOLER
FR COOLER
FR COOLER
FR COOLER,W/HEATER
FR COOLER,W/HEATER
FR COOLER; FR COOLER,W/*BV
FR COOLER; FR COOLER,W/*BV
FR COOLER,W/*BV,SINGAPORE SPEC
FR COOLER
FR COOLER
RR COOLER
88515VALVE, COOLER EXPANSION
FR COOLER; FR COOLER,W/*BV
FR COOLER,W/HEATER
RR COOLER
FR COOLER,W/HEATER
88539HOSE, COOLER UNIT DRAIN, NO.1
RR COOLER
FR COOLER
88605HARNESS SUB-ASSY, COOLER WIRING, NO.1
RR COOLER
W/BOOST VENTILATOR
88625THERMISTOR, COOLER, NO.1
FR COOLER
88630RELAY ASSY, COOLER
M4 TYPE,RR COOLER
M4 TYPE,RR COOLER
B4 TYPE,FR COOLER
88650AMPLIFIER ASSY, COOLER STABILIZER
FR COOLER
FR COOLER,W/*BV
RR COOLER
FR COOLER
FR COOLER
88688ABRACKET, COOLER STABILIZER AMPLIFIER
8856930860CLAMP (FOR COOLER RELAY)
main88569-30860
8856930880CLAMP (FOR COOLER RELAY)
main88569-30880
8857814020PAKING, COOLER AIR DUCT
main88578-14020
8868830870BRACKET, COOLER DIAPHRAGM
main88688-30870
8871822420PIPE, COOLER REFRIGERANT SUCTION, NO.2
main88718-22420
8889730580VALVE, COOLER MAGNET
main88897-30580
9009490405
main90094-90405
9017906032
main90179-06032
9048026003
main90480-26003
9048036003
main90480-36003
9354014012
main93540-14012
20 parts on this diagram · 5 diagrams in section