E
EPC Data

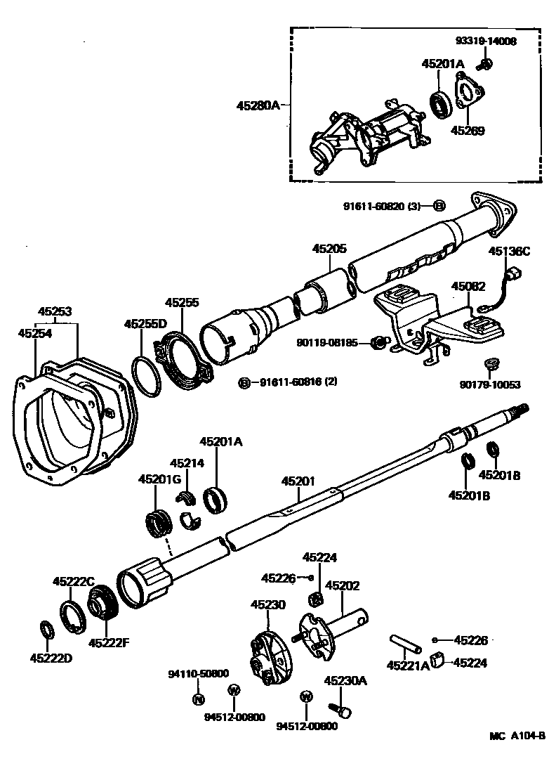
STEERING COLUMN & SHAFT

Parts diagram
45082BRACKET SUB-ASSY, BREAK AWAY W/CAPSULE
main45082-30050i198308-198708
main45082-30060i198308-198708
main45082-30070i198308-198509
main45082-30080i198308-198708
main45082-30090i198308-198708
45136CCABLE, BOND(FOR HORN EARTH)
main90980-07169i198308-198708
45201SHAFT SUB-ASSY, STEERING MAIN
main45210-30050i198308-198708
main45210-30060i198308-198708
main45210-30070i198308-198708
45201ABEARING(FOR STEERING MAIN SHAFT)
main90363-18038i198308-198708
UPR
main90363-28001i198308-198708
CTR
main90369-43004i198308-198708
LWR
45201BRING, SHAFT SNAP(FOR STEERING MAIN SHAFT)
main90520-17042×2i198308-198708
T=1.20,T=1.2
main90520-17196×2i198308-198708
T=1.35-1.45,T=1.4
main90520-23034i198308-198708
T=1.5
main90522-18001i198308-198708
T=2.6
45201GSPRING, COMPRESSION(FOR STEERING MAIN SHAFT)
main90501-29388i198308-198708
LWR
main90501-45011i198308-198708
UPR
45202SHAFT SUB-ASSY, STEERING INTERMEDIATE
main45220-30040i198308-198708
45205TUBE SUB-ASSY, STEERING COLUMN
main45870-30140i198308-198708
main45870-30150i198308-198708
45214RETAINER, MAIN SHAFT SPRING
main45214-30040×2i198308-198708
45221APIN(FOR STEERING INTERMEDIATE SHAFT)
main90250-10059i198308-198708
45222CRING, HOLE SNAP(FOR DUST COVER)
main90521-52003i198308-198708
45222DRING, O(FOR DUST COVER)
main90301-23054i198308-198708
45222FCOVER, DUST
main45222-30030i198308-198708
45224BLOCK, BEARING(FOR STEERING FLEXIBLE COUPLING)
main45224-30040×2i198308-198708
15.97-16.00,L=15.97-16.00
main45225-30040×2i198308-198708
16.00-16.03,L=16.00-16.03
45226ANTI-RATTLE(FOR STEERING FLEXIBLE COUPLING)
main45226-30020×2i198308-198708
45230COUPLING ASSY, FLEXIBLE
main45230-30100i198308-198708
45230ABOLT, HEXAGON(FOR STEERING FLEXIBLE COPLING SET)
main90101-08230i198308-198708
45253COVER, STEERING COLUMN HOLE
main45025-30100i198308-198509
main45025-30110i198308-198708
main45025-30120i198308-198708
main45025-30130i198308-198708
main45025-30150i198509-198708
45254SHIELD, STEERING COLUMN HOLE
main45254-30090i198308-198508
main45254-30100i198308-198708
main45254-30110i198508-198708
45255PLATE, STEERING COLUMN HOLE COVER
main45255-30040i198308-198708
45255DRING, O(FOR STEERING COLUMN HOLE COVER PLATE)
main90301-59001i198402-198708
main90301-60122i198308-198402
45269RETAINER, MAIN SHAFT BEARING
main45269-10010i198308-198708
45280ABRACKET ASSY, STEERING COLUMN, UPPER
main45280-30330i198308-198708
main45280-30340i198308-198708
main45280-30350i198308-198708
main45280-30360i198308-198708
main45280-30370i198308-198708
main45280-30380i198308-198708
main45280-30390i198308-198708
9011908185
9017910053
9161160816
9161160820
9331914008
9411050800
9451200800

30 parts on this diagram · 5 diagrams in section

STEERING COLUMN & SHAFT — Toyota Parts Diagram with OEM Numbers & Prices | EPC Data