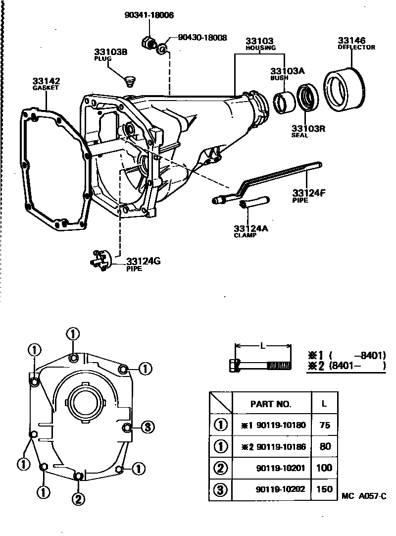
EXTENSION HOUSING (MTM)

33103HOUSING SUB-ASSY, EXTENSION(MTM)
33103ABUSH(FOR MANUAL TRANSMISSION EXTENSION HOUSING)
33103BPLUG, BREATHER(FOR TRANSMISSION EXTENSION HOUSING)
33103RSEAL, OIL(FOR MANUAL TRANSMISSION EXTENSION HOUSING)
33124ACLAMP(FOR TRANSMISSION OIL RECEIVER PIPE)
33124FPIPE, OIL RECEIVER, NO.1(FOR EXTENSION HOUSING)
33124GPIPE, OIL RECEIVER, NO.2(FOR EXTENSION HOUSING)
33142GASKET, EXTENSION HOUSING(MTM)
33146DEFLECTOR, EXTENSION HOUSING DUST(MTM)
9011910180
main90119-10180
9011910186
main90119-10186
9011910201
main90119-10201
9011910202
main90119-10202
9034118006
main90341-18006
9043018008
main90430-18008
15 parts on this diagram · 2 diagrams in section