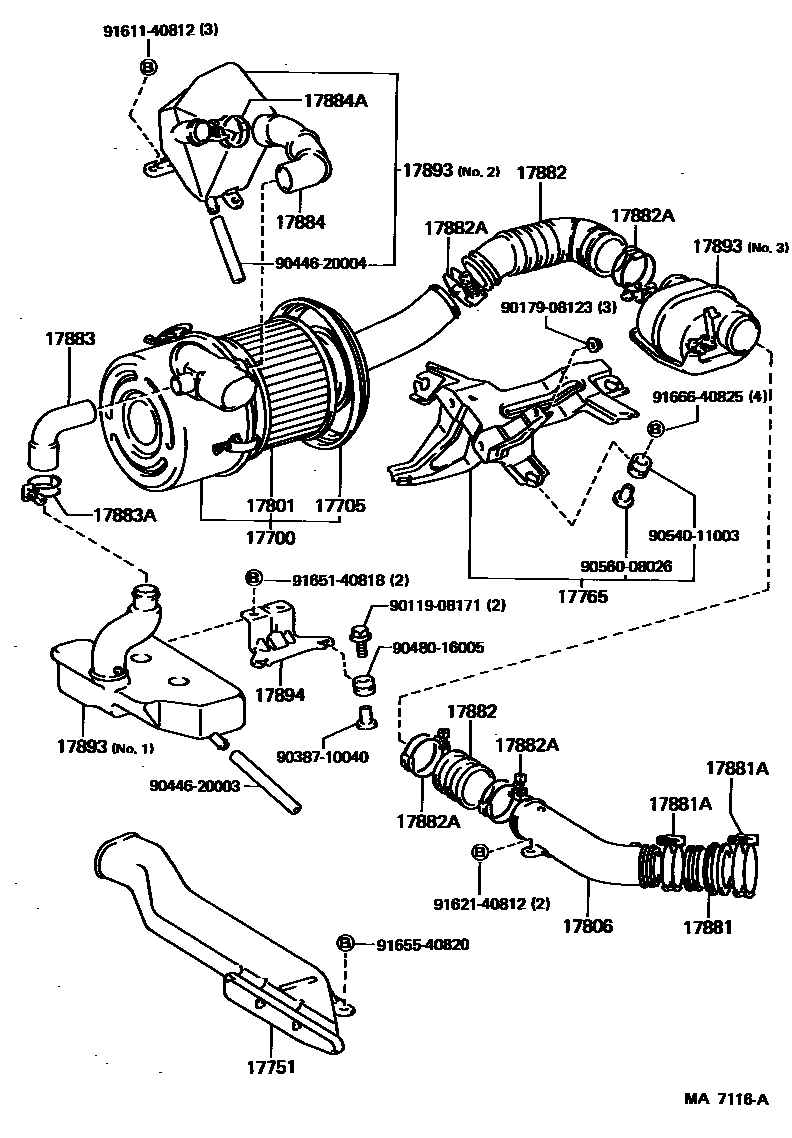
AIR CLEANER

17700CLEANER ASSY, AIR
W/HOT AIR INTAKE
17705CAP SUB-ASSY, AIR CLEANER
17751INLET, AIR CLEANER, NO.1
17765STAY, AIR CLEANER, NO.1
17801ELEMENT SUB-ASSY, AIR CLEANER FILTER
17806PIPE SUB-ASSY, AIR CLEANER, NO.2
17881HOSE, AIR CLEANER, NO.1
W/HOT AIR INTAKE
17881ACLAMP(FOR AIR CLEANER HOSE, NO.1)
FLANGE SIDE
HOSE SIDE
17882HOSE, AIR CLEANER, NO.2
AIR CLEANER SIDE
INTAKE PIPE SIDE
17882ACLAMP(FOR AIR CLEANER HOSE, NO.2)
AIR CONNECTOR SIDE
AIR FLOW METER SIDE
PIPE SIDE
AIR FLOW METER SIDE
17883HOSE, AIR CLEANER, NO.3
17883ACLAMP(FOR AIR CLEANER HOSE, NO.3)
17884HOSE, AIR CLEANER, NO.4
17884ACLAMP(FOR AIR CLEANER HOSE, NO.4)
17893RESONATOR, INTAKE AIR
NO.1
NO.2
NO.3
17894BRACKET, RESONATOR
9011908171
main90119-08171
9017908123
main90179-08123
9038710040
main90387-10040
9044620003
main90446-20003
9044620004
main90446-20004
9048016005
main90480-16005
9054011003
main90540-11003
9056008026
main90560-08026
9161140812
main91611-40812
9162140812
main91621-40812
9165140818
main91651-40818
9165540820
main91655-40820
9166640825
main91666-40825
29 parts on this diagram · 7 diagrams in section