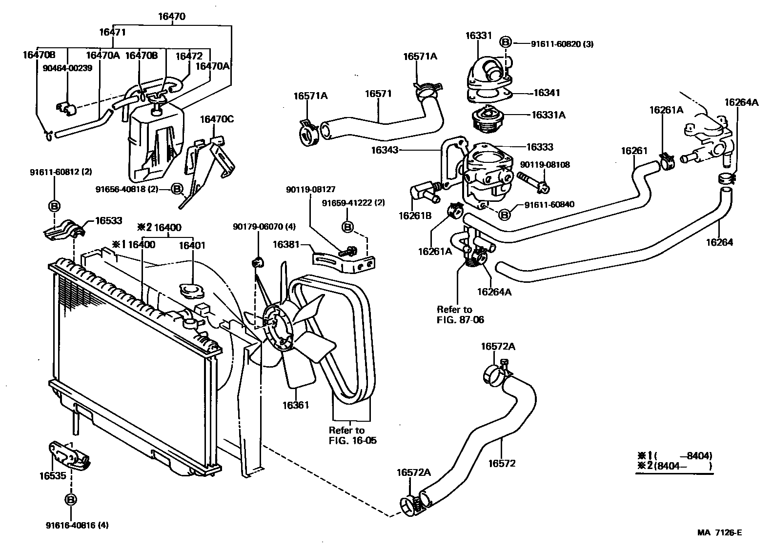
RADIATOR & WATER OUTLET

1605
16261HOSE, WATER BY-PASS
16261ACLAMP OR CLIP, HOSE(FOR WATER BY-PASS HOSE)
16261BUNION(FOR WATER BY-PASS HOSE)
16264HOSE, WATER BY-PASS, NO.2
16264ACLAMP OR CLIP(FOR WATER BY-PASS HOSE NO.2)
16331OUTLET, WATER
SINGAPORE SPEC
SINGAPORE SPEC
16331ATHERMOSTAT
*WAX 82-95
16343GASKET, WATER OUTLET HOUSING
sub16343-54021
16361FAN
7 BLADES
16381BAR, FAN BELT ADJUSTING
16401CAP SUB-ASSY, RADIATOR
THAILAND SPEC
16470TANK ASSY, RADIATOR RESERVE
16470AHOSE OR PIPE(FOR RADIATOR RESERVE TANK)
L=1450(*H,L=230),NO.2
L=1000(*H,L=350),NO.1
16470BCLAMP OR CLIP(FOR RADIATOR RESERVE TANK HOSE)
16470CBRACKET(FOR RADIATOR RESERVE TANK)
16471CAP SUB-ASSY, RESERVE TANK
sub16405-70040
16472HOSE, BREATHER
16533SUPPORT, RADIATOR, UPPER
16535SUPPORT, RADIATOR, LOWER
16571HOSE, RADIATOR, INLET
16571ACLAMP OR CLIP, HOSE(FOR RADIATOR INLET)
sub90467-37003
16572HOSE, RADIATOR, OUTLET
16572ACLAMP OR CLIP, HOSE(FOR RADIATOR OUTLET NO.1)
INLET SIDE
RADIATOR SIDE
WATER PUMP SIDE
8706
9011908108
main90119-08108
9011908127
main90119-08127
9017906070
main90179-06070
9046400239
main90464-00239
9161160812
main91611-60812
9161160820
main91611-60820
9161160840
main91611-60840
9161640816
main91616-40816
9165640818
main91656-40818
9165941222
main91659-41222
38 parts on this diagram · 8 diagrams in section