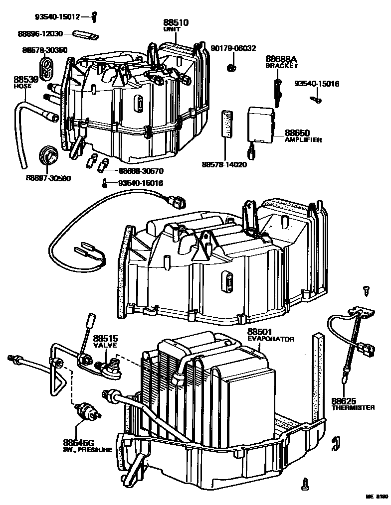
HEATING & AIR CONDITIONING - COOLER UNIT

88501EVAPORATOR SUB-ASSY, COOLER, NO.1
RR COOLER
88510UNIT ASSY, COOLER
RR COOLER
W/HEATER
W/HEATER
W/BOOST VENTILATOR
W/BOOST VENTILATOR
RR COOLER
RR COOLER
88515VALVE, COOLER EXPANSION
W/BOOST VENTILATOR
RR COOLER
W/HEATER
88539HOSE, COOLER UNIT DRAIN, NO.1
88625THERMISTOR, COOLER, NO.1
W/BOOST VENTILATOR
W/BOOST VENTILATOR
88645GSWITCH, PRESSURE
88650AMPLIFIER ASSY, COOLER STABILIZER
FR; FR,W/BOOST VENTILATOR
FR
FR
FR
RR
88688ABRACKET, COOLER STABILIZER AMPLIFIER
FR; FR,W/BOOST VENTILATOR
RR
8857814020PAKING, COOLER AIR DUCT
main88578-14020
8857830350PAKING, COOLER AIR DUCT
main88578-30350
8868830570BRACKET, COOLER DIAPHRAGM
main88688-30570
8889612030PLATE, COOLER AIR OUTLET GRILLE ORNAMENT
main88896-12030
8889730580VALVE, COOLER MAGNET
main88897-30580
9017906032
main90179-06032
9354015012
main93540-15012
9354015016
main93540-15016
16 parts on this diagram · 5 diagrams in section