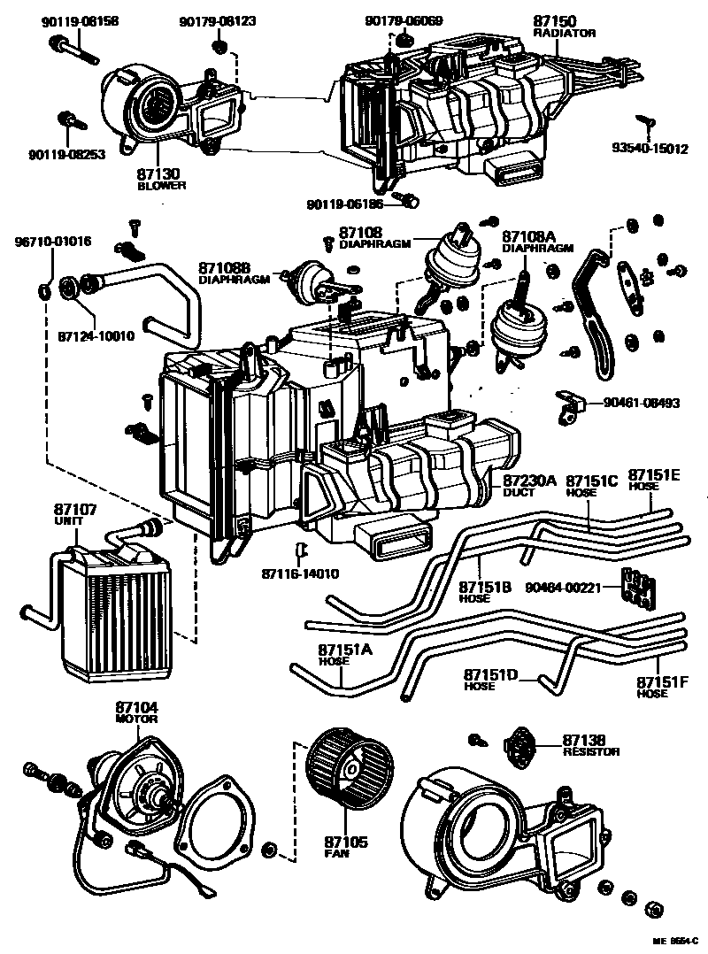
HEATING & AIR CONDITIONING - HEATER UNIT & BLOWER

87104MOTOR SUB-ASSY, HEATER BLOWER
87105FAN SUB-ASSY, HEATER BLOWER
87107UNIT SUB-ASSY, HEATER RADIATOR
87108DIAPHRAGM SUB-ASSY, HEATER DOOR CONTROL
87108ADIAPHRAGM SUB-ASSY, VENTILATOR DOOR CONTROL
87108BDIAPHRAGM SUB-ASSY, BI-LEVEL DOOR CONTROL
87130BLOWER ASSY, HEATER, FRONT
87138RESISTOR, HEATER BLOWER
87150RADIATOR ASSY, HEATER
87151AHOSE, VACUUM, A
NO.2,L=1000
NO.2,L=1000
NO.2,L=1000
87151BHOSE, VACUUM, B
NO.3,L=1100
NO.3,L=1500
NO.9,L=1200
NO.3,L=1100
NO.9,L=1200
NO.3,L=1500
87151CHOSE, VACUUM, C
NO.5,L=275
NO.5,L=930
NO.5,L=275
NO.5,L=930
87151DHOSE, VACUUM, D
NO.6,L=350
NO.6,L=1070
NO.6,L=350
NO.6,L=1070
NO.6,L=310
87151EHOSE, VACUUM, E
NO.7,L=1300
NO.7,L=1300
87151FHOSE, VACUUM, F
NO.10,L=530
NO.10,L=730
NO.10,L=530
NO.10,L=730
87230ADUCT ASSY, HEATER AIR
8711614010SPRING, HEATER CASE FASTENING
main87116-14010
8712410010CLAMP, HEATER
main87124-10010
9011906186
main90119-06186
9011908158
main90119-08158
9011908253
main90119-08253
9017906069
main90179-06069
9017908123
main90179-08123
9046108493
main90461-08493
9046400221
main90464-00221
9354015012
main93540-15012
9671001016
main96710-01016
27 parts on this diagram · 5 diagrams in section