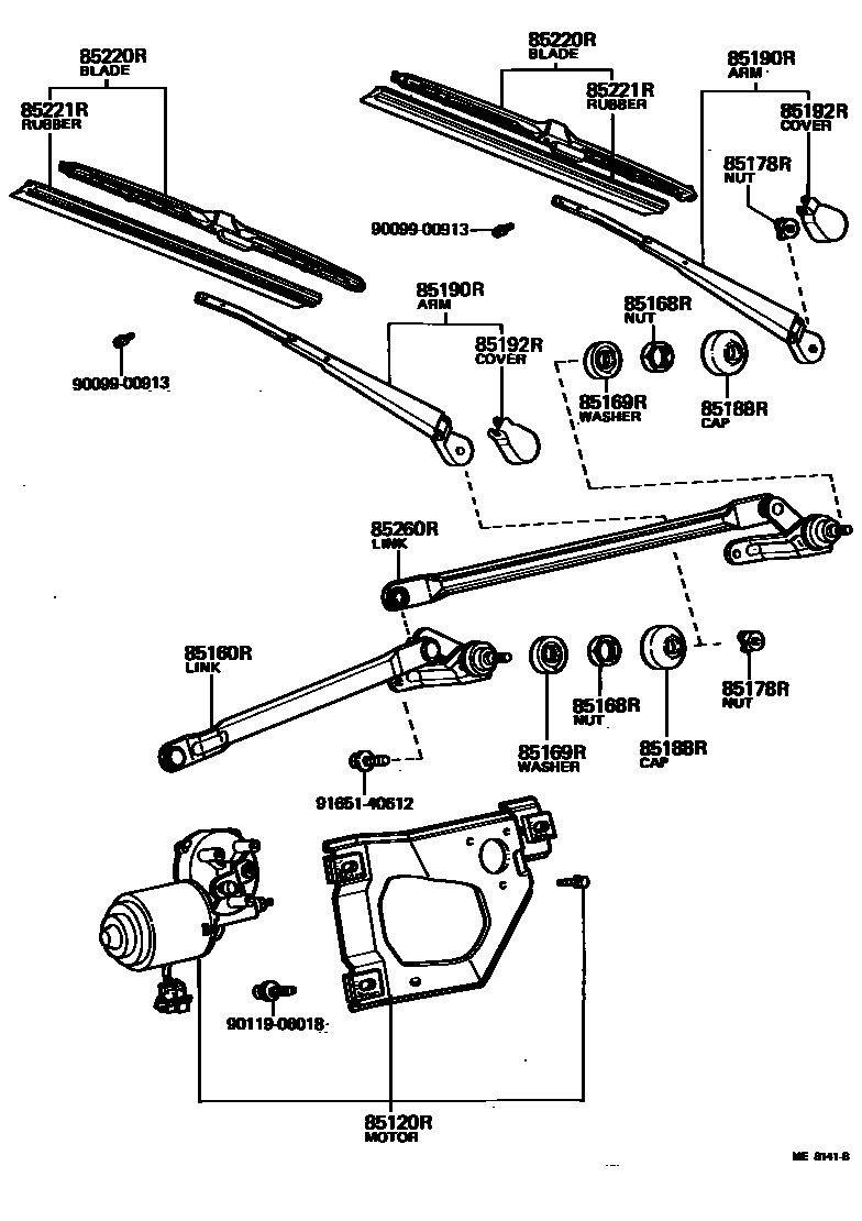
REAR WIPER

85120RMOTOR AND BRACKET ASSY, REAR WIPER
85160RLINK ASSY, REAR WIPER
LH
85168RNUT, REAR WIPER LINK PIVOT, NO.1
85169RWASHER, REAR WIPER LINK PIVOT, NO.1
85178RNUT (FOR REAR WIPER ARM SETTING)
85188RCAP, REAR WIPER PIVOT, NO.1
85190RARM ASSY, REAR WIPER
85192RCOVER, REAR WIPER ARM
sub85192-13060
85260RLINK ASSY, REAR WIPER, NO.2
RH
9009900913
main90099-00913
9011906018
main90119-06018
9165140612
main91651-40612
14 parts on this diagram · 1 diagram in section