E
EPC Data

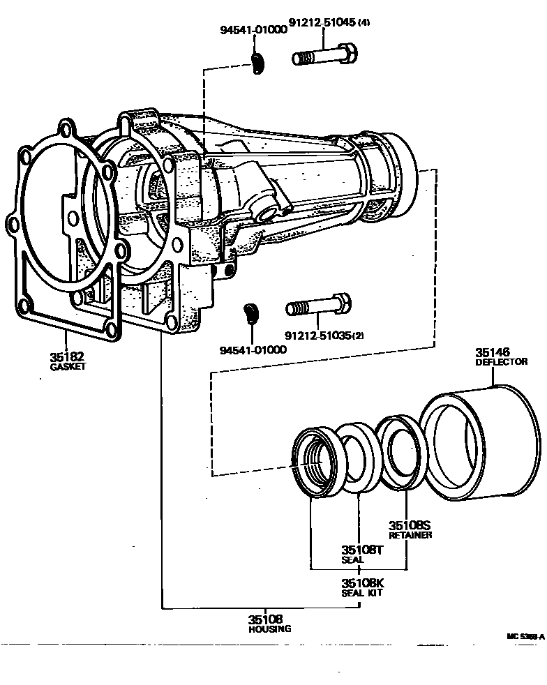
EXTENSION HOUSING (ATM)

Parts diagram
35108HOUSING SUB-ASSY, EXTENSION (ATM)
main35108-30090i197909-198112
main35108-30091i198112-198307
35108KSEAL KIT, OIL(FOR AUTOMATIC EXTENSION HOUSING)
main04332-30020i197909-198307
35108SRETAINER, EXTENSION HOUSING DUST SEAL (ATM)
main33145-30010i197909-198307
35108TSEAL, DUST (FOR AUTOMATIC TRANSMISSION EXTENSION HOUSING)
main90303-38010i197909-198307
35146DEFLECTOR, EXTENSION HOUSING DUST (ATM)
main33146-30010i197909-198307
35182GASKET, EXTENSION HOUSING (ATM)
main35182-22010i197909-198307
9121251035
9121251045
9454101000

9 parts on this diagram · 1 diagram in section

EXTENSION HOUSING (ATM) — Toyota Parts Diagram with OEM Numbers & Prices | EPC Data