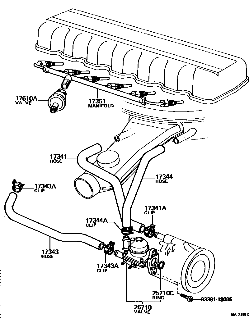
MANIFOLD AIR INJECTION SYSTEM

17341HOSE, NO.1(FOR AIR INJECTION SYSTEM)
17341ACLAMP OR CLIP, NO.1(FOR AIR INJECTION SYSTEM HOSE, NO.1)
17343HOSE, NO.3(FOR AIR INJECTION SYSTEM)
SWITZERLAND SPEC
17343ACLAMP OR CLIP, NO.3(FOR AIR INJECTION SYSTEM HOSE, NO.3)
17344HOSE, NO.4(FOR AIR INJECTION SYSTEM)
17344ACLAMP OR CLIP, NO.4(FOR AIR INJECTION SYSTEM HOSE, NO.4)
17351MANIFOLD, AIR INJECTION
17610AVALVE, CHECK(FOR AIR INJECTION SYSTEM)
25710VALVE ASSY, AIR SWITCHING
25710CRING, O
9338118035
main93381-18035
11 parts on this diagram · 2 diagrams in section