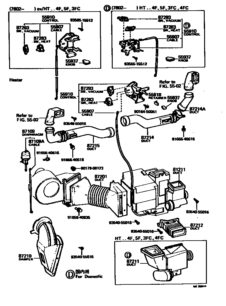
HEATING & AIR CONDITIONING - CONTROL & AIR DUCT

5502COWL VENTILATOR
55907CABLE SUB-ASSY, HEATER AIR INLET BUTTERFLY
FOR HEATER
55910CONTROL ASSY, HEATER OR BOOST VENTILATOR
FOR HEATER
FOR HEATER
FOR HEATER
FOR HEATER
FOR BOOST VENTILATOR
FOR BOOST VENTILATOR
FOR BOOST VENTILATOR
FOR BOOST VENTILATOR
55918RETAINER, HEATER CONTROL LEVER
55937KNOB, HEATER CONTROL LEVER
81211LENS, FOG LAMP
87109DIAPHRAGM SUB-ASSY, AIR DOOR CONTROL
87109ACABLE SUB-ASSY, AIR DOOR CONTROL
87201DUCT SUB-ASSY, AIR, NO.1
87210DAMPER ASSY, AIR
87211DUCT, AIR, NO.1
FOR HEATER
FOR BOOST VENTILATOR
87212DUCT, AIR, REAR NO.1
87214DUCT, AIR, SIDE NO.1 RH
87214ADUCT, AIR, SIDE NO.2 RH
87215DUCT, AIR, SIDE NO.1 LH
87283SWITCH, HEATER DOOR CONTROL VACUUM
87293SWITCH, VACUUM, HEATER WATER CONTROL
FOR HEATER
9016450051
main90164-50051
9017908123
main90179-08123
9165640616
main91656-40616
9165640635
main91656-40635
9166640616
main91666-40616
9354055016
main93540-55016
9356515512
main93565-15512
9356615512
main93566-15512
25 parts on this diagram · 3 diagrams in section