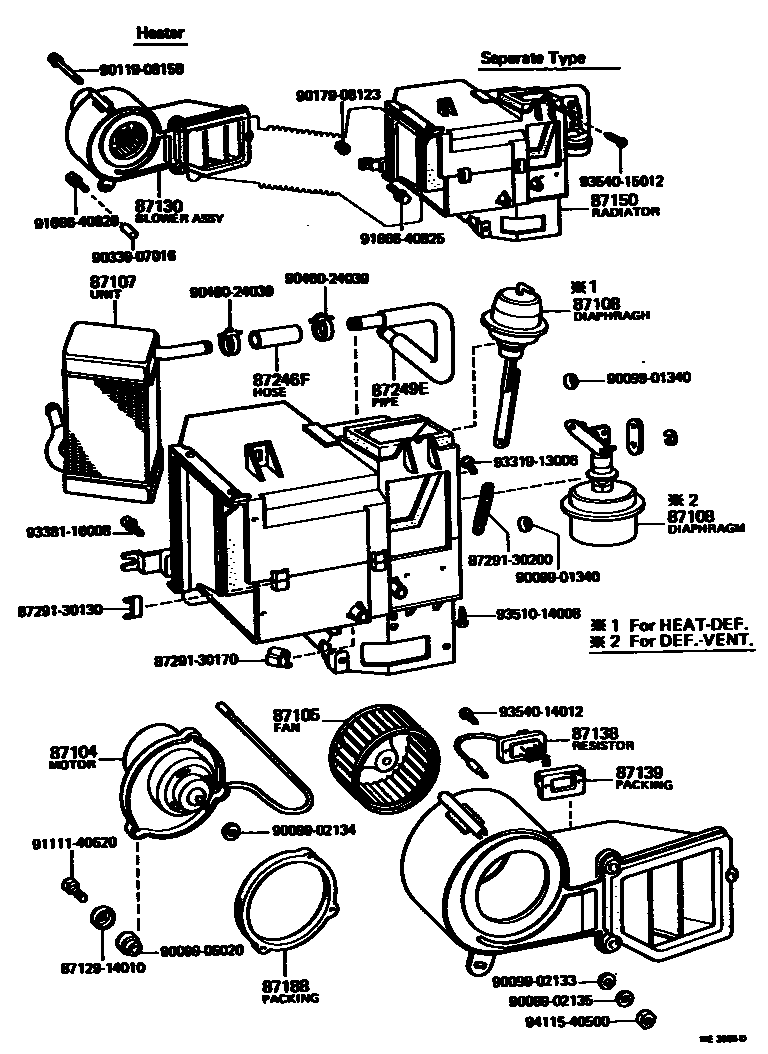
HEATING & AIR CONDITIONING - HEATER UNIT & BLOWER

87104MOTOR SUB-ASSY, HEATER BLOWER
87105FAN SUB-ASSY, HEATER BLOWER
87107UNIT SUB-ASSY, HEATER RADIATOR
87108DIAPHRAGM SUB-ASSY, HEATER DOOR CONTROL
FOR DEF-VENT
FOR HEAT-DEF
FOR DEF-VENT
FOR HEAT-DEF
87130BLOWER ASSY, HEATER, FRONT
87138RESISTOR, HEATER BLOWER
87139PACKING, BLOWER HEATER RESISTOR
87150RADIATOR ASSY, HEATER
87188PACKING, HEATER BLOWER MOTOR
87246FHOSE, HEATER WATER, OUTLET F
L=70
87249EPIPE, HEATER WATER OUTLET, E (FOR HEATER UNIT)
8712914010
main87129-14010
8729130130STAY, HEATER
main87291-30130
8729130170STAY, HEATER
main87291-30170
8729130200STAY, HEATER
main87291-30200
9009901340
main90099-01340
9009902133
main90099-02133
9009902134
main90099-02134
9009902135
main90099-02135
9009906020
main90099-06020
9011908158
main90119-08158
9017908123
main90179-08123
9033907016
main90339-07016
9046024039
main90460-24039
9111140620
main91111-40620
9166640825
main91666-40825
9166640828
main91666-40828
9331913006
main93319-13006
9338116008
main93381-16008
9351014008
main93510-14008
9354014012
main93540-14012
9354015012
main93540-15012
9411540500
main94115-40500
33 parts on this diagram · 4 diagrams in section