E
EPC Data

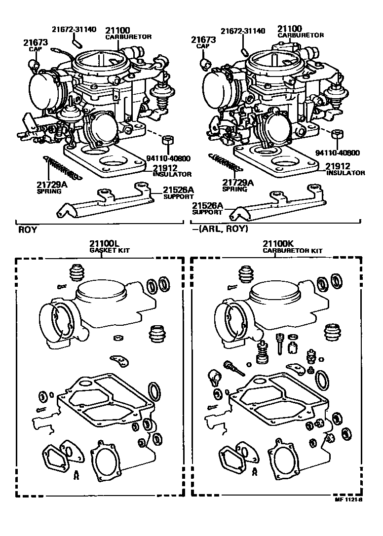
CARBURETOR ASSEMBLY

Parts diagram
21100CARBURETOR ASSY
main21100-44111i197410-197611
main21100-44180i197410-197706
main21100-44181i197706-197903
main21100-44182i197903-197908
main21100-44200i197706-197908
main21100-44210i197611-197908
main21100-45150i197410-197604
main21100-45160i197511-197611
main21100-45170i197603-197611
E.C.E. NO.15
main21100-45190i197604-197611
main21100-45210i197611-197802
main21100-45220i197611-197908
main21100-45230i197611-197908
main21100-45240i197611-197908
main21100-45270i197802-197902
main21100-45271i197902-197908
21100KCARBURETOR KIT
main04211-44014i197410-197611
main04211-44070i197603-197611
E.C.E. NO.15
main04211-45012i197410-197604
main04211-45051i197604-197611
main04211-45070i197603-197611
E.C.E. NO,15
main04211-45090i197611-197908
main04211-45100i197611-197908
main04211-45110i197611-197908
21100LGASKET KIT, CARBURETOR
main04212-44012i197410-197908
main04212-45011i197604-197611
main04212-45021i197604-197611
21526ASUPPORT, BACK SPRING
main21926-41020i197410-197611
main21926-44020i197410-197908
main21926-44050i197410-197908
21673CAP, IDLE LIMIT
main21673-24010i197604-197611
main21673-36010i197410-197604
main21673-38020i197611-197908
21729ASPRING, 1ST THROTTLE BACK
21912INSULATOR, CARBURETOR HEAT
main21912-41010i197410-197604
main21912-44030i197410-197908
main21912-45010i197604-197611
main21912-45011i197611-197908
2167231140CAP
9411040800

9 parts on this diagram · 3 diagrams in section

CARBURETOR ASSEMBLY — Toyota Parts Diagram with OEM Numbers & Prices | EPC Data