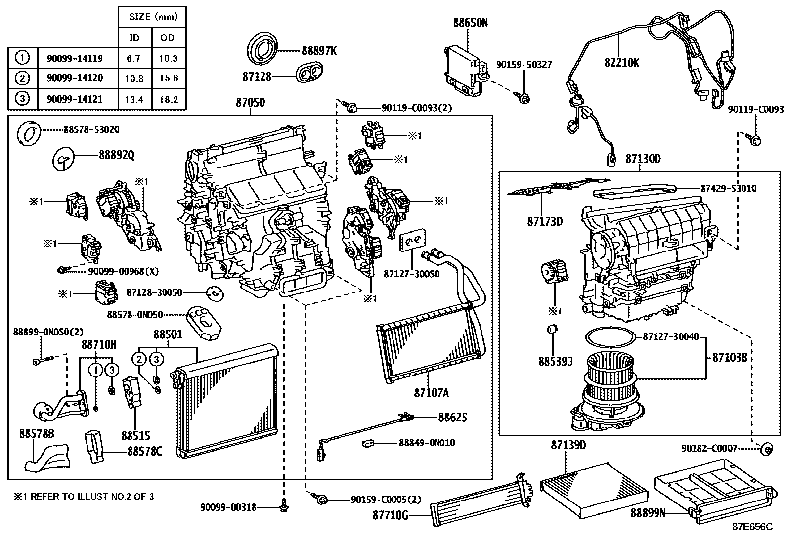
HEATING & AIR CONDITIONING - COOLER UNIT

82210KHARNESS ASSY, AIR CONDITIONER
87050RADIATOR ASSY, AIR CONDITIONER
87103BMOTOR SUB-ASSY, BLOWER W/FAN
87107AUNIT SUB-ASSY, HEATER RADIATOR
87128GROMMET, HEATER
87130DBLOWER ASSY
87139DELEMENT, AIR REFINER
87173DPROTECTOR HEATER
87710GQUICK HEATER ASSY
88501EVAPORATOR SUB-ASSY, COOLER, NO.1
88515VALVE, COOLER EXPANSION
(L)
(J)
88539JHOSE, DRAIN COOLER
88578BPACKING, COOLING UNIT, NO.1
88578CPACKING, COOLING UNIT, NO.2
88625THERMISTOR, COOLER, NO.1
88650NAMPLIFIER ASSY, AIR CONDITIONER
WITHOUT(TIRE PRESSURE MONITORING SYSTEM)
WITHOUT(TIRE PRESSURE MONITORING SYSTEM)
88710HTUBE & ACCESSORY ASSY, AIR CONDITIONER
88892QPLATE, COOLER
88897KGROMMET, (FOR COOLER PIPE)
88899NPLATE, COVER
8712730040PACKING, HEATER AIR DAMPER
main87127-30040
8712730050PACKING, HEATER AIR DAMPER
main87127-30050
8712830050GROMMET, HEATER
main87128-30050
8742953010PIPE, COMBUSTION HEATER OUTLET
main87429-53010
885780N050PAKING, COOLER AIR DUCT
main88578-0N050
8857853020PAKING, COOLER AIR DUCT
main88578-53020
888490N010BRACKET, COOLER COMPRESSOR, NO.2
main88849-0N010
888990N050COVER, EVAPORATOR
main88899-0N050
9009900318
main90099-00318
9009900968
main90099-00968
9009914119
main90099-14119
9009914120
main90099-14120
9009914121
main90099-14121
90119C0093
main90119-C0093
9015950327
main90159-50327
90159C0005
main90159-C0005
90182C0007
main90182-C0007
37 parts on this diagram · 4 diagrams in section