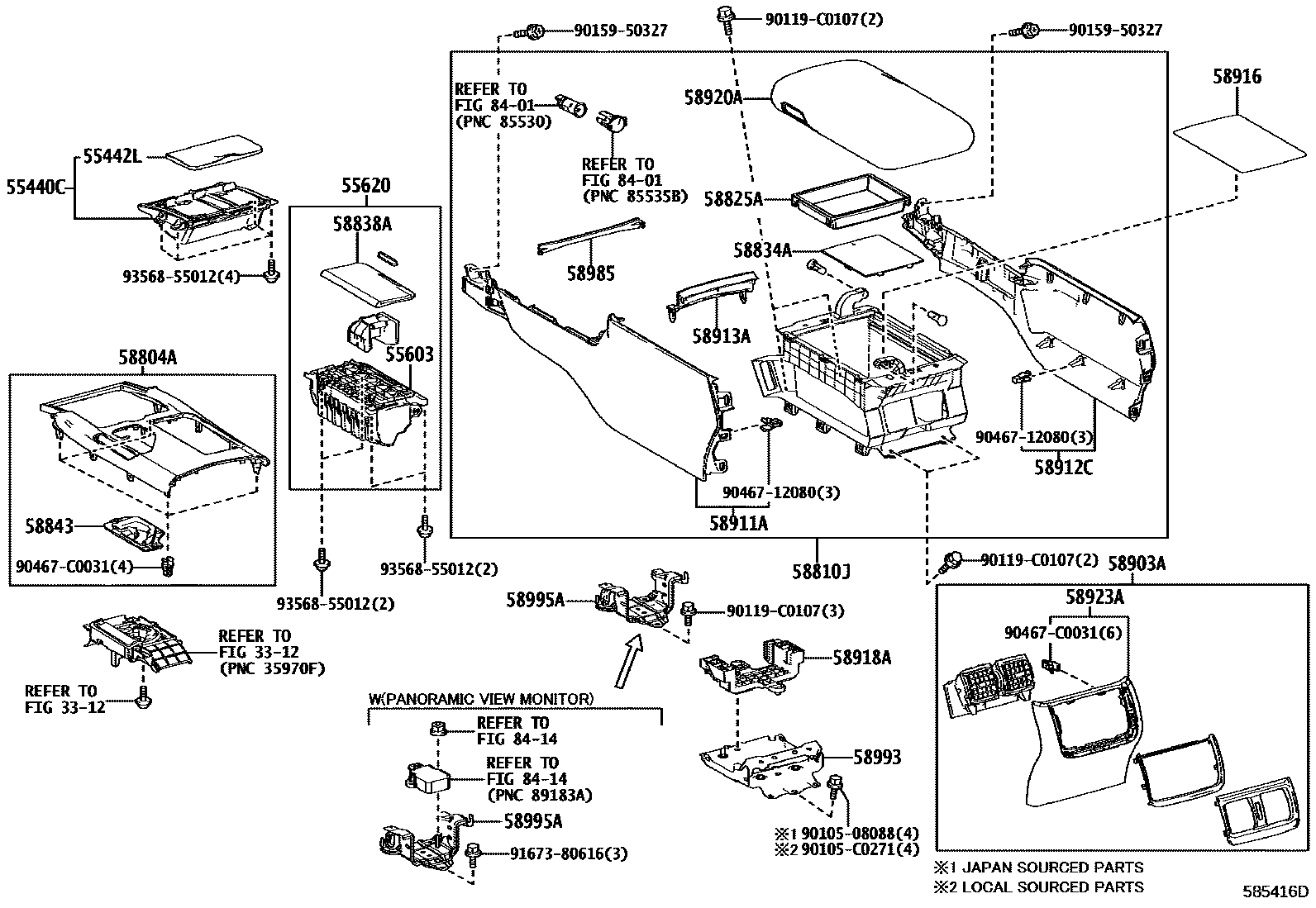
CONSOLE BOX & BRACKET

3312SHIFT LEVER & RETAINER
55440CBOX ASSY, INSTRUMENT PANEL
BLACK,TRIM2#,3#
BLACK BIRDSEYE,TRIM2#; BLACK BIRDSEYE,TRIM2#,3#
BROWN,TRIM0#
BROWN BIRDSEYE,TRIM0#
55442LDOOR, INSTRUMENT PANEL
BLACK,TRIM2#,3#
BLACK BIRDSEYE,TRIM2#; BLACK BIRDSEYE,TRIM2#,3#
BROWN,TRIM0#
BROWN BIRDSEYE,TRIM0#
55603CASE SUB-ASSY, INSTRUMENT PANEL CUP HOLDER
55620HOLDER ASSY, INSTRUMENT PANEL CUP
BLACK,TRIM2#,3#
BLACK BIRDSEYE,TRIM2#; BLACK BIRDSEYE,TRIM2#,3#
BROWN,TRIM0#
BROWN BIRDSEYE,TRIM0#
58804APANEL SUB-ASSY, CONSOLE, UPPER
BLACK,TRIM2#
BROWN,TRIM0#
BLACK,TRIM2#; BLACK,TRIM2#,3#
BLACK BIRDSEYE,TRIM2#; BLACK BIRDSEYE,TRIM2#,3#
BROWN,TRIM0#
BROWN BIRDSEYE,TRIM0#
58810JBOX ASSY, CONSOLE
FLAXEN,TRIM0#
BLACK,TRIM2#
FLAXEN,TRIM0#
BLACK,TRIM2#; BLACK,TRIM2#,3#
58825APOCKET, CONSOLE BOX
58834ACOVER, CONSOLE, LOWER
58838ADOOR, CONSOLE CUP HOLDER BOX
BLACK,TRIM2#,3#
BLACK BIRDSEYE,TRIM2#; BLACK BIRDSEYE,TRIM2#,3#
BROWN,TRIM0#
BROWN BIRDSEYE,TRIM0#
58843BEZEL, SHIFTING HOLE
58903APANEL SUB-ASSY, CONSOLE REAR END
FLAXEN,TRIM0#
FLAXEN,TRIM0#
BLACK,TRIM2#,3#
BLACK,TRIM2#; BLACK,TRIM2#,3#
58911APANEL, BOX SIDE, NO.1
FLAXEN,TRIM0#
BLACK,TRIM2#
58912CPANEL, BOX SIDE, NO.2
FLAXEN,TRIM0#
BLACK,TRIM2#
58913APANEL, BOX, NO.3
FLAXEN,TRIM0#
BLACK,TRIM2#
58916MAT, BOX BOTTOM
58918ABRACKET, BOX SUPPORT
58920AARMREST ASSY, REAR CONSOLE
FLAXEN,TRIM0#
BLACK,TRIM2#
58923APANEL, CONSOLE REAR END
FLAXEN,TRIM0#
BLACK,TRIM2#,3#
58985RETAINER, CONSOLE BOX
58993BRACKET, CONSOLE BOX MOUNTING, REAR
58995ABRACKET, CONSOLE BOX MOUNTING, NO.1
8401SWITCH & RELAY & COMPUTER
8414ABS & VSC
9010508088
main90105-08088
90105C0271
main90105-C0271
90119C0107
main90119-C0107
9015950327
main90159-50327
9046712080
main90467-12080
90467C0031
main90467-C0031
9167380616
main91673-80616
9356855012
main93568-55012
32 parts on this diagram · 1 diagram in section