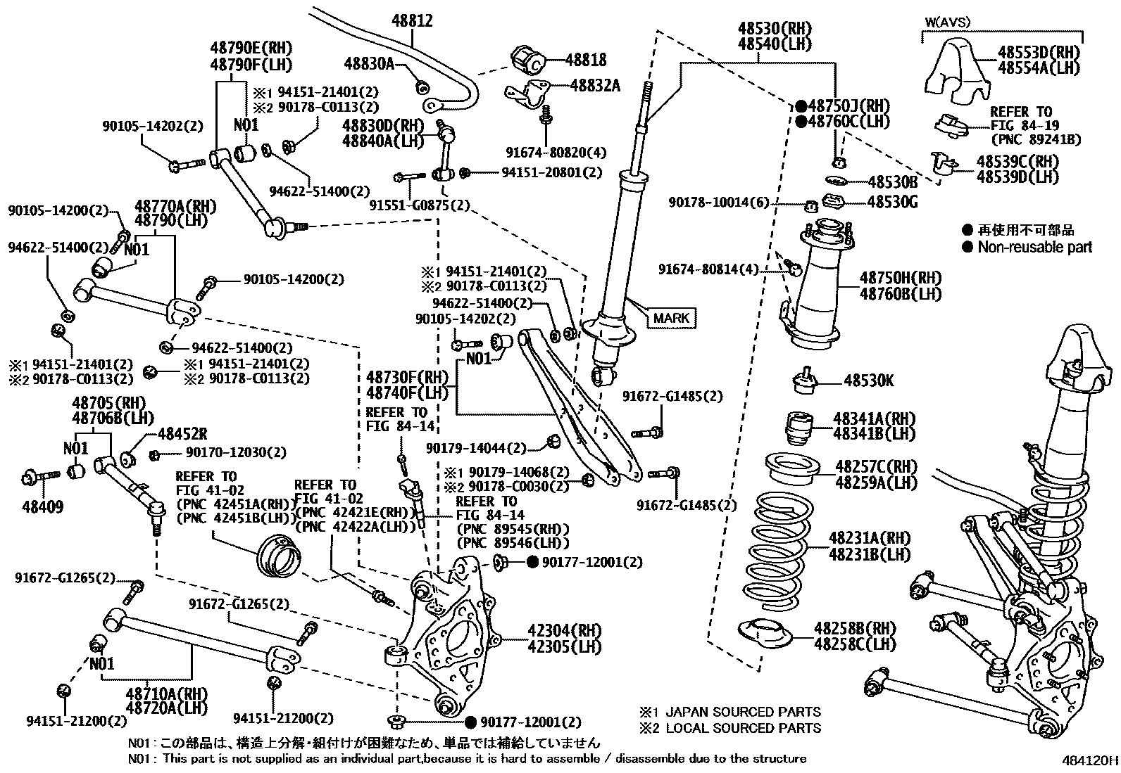
REAR SPRING & SHOCK ABSORBER

4102REAR AXLE SHAFT & HUB
42304CARRIER SUB-ASSY, REAR AXLE, RH
42305CARRIER SUB-ASSY, REAR AXLE, LH
48257CINSULATOR, REAR COIL SPRING, UPPER RH
48258BINSULATOR, REAR COIL SPRING, LOWER RH
48258CINSULATOR, REAR COIL SPRING, LOWER LH
48259AINSULATOR, REAR COIL SPRING, UPPER LH
48341ABUMPER, REAR SPRING, NO.1 RH
48341BBUMPER, REAR SPRING, NO.1 LH
48409CAM SUB-ASSY, REAR SUSPENSION TOE ADJUST
48452RPLATE, REAR SUSPENSION TOE ADJUST, NO.2
(L)
(J)
48530ABSORBER ASSY, SHOCK, REAR RH
MARK 48530-0N060
MARK 48530-0N070
MARK 48530-0N080
48530BWASHER, REAR SHOCK ABSORBER CUSHION, NO.1
48530GCUSHION, REAR SHOCK ABSORBER, NO.1
48530KCUSHION, REAR SHOCK ABSORBER, NO.2
48539CBRACKET, ACTUATOR SUPPORT, REAR RH
48539DBRACKET, ACTUATOR SUPPORT, REAR LH
48540ABSORBER ASSY, SHOCK, REAR LH
MARK 48530-0N060
MARK 48530-0N070
MARK 48530-0N080
48553DCAP, REAR SHOCK ABSORBER, RH
48554ACAP, REAR SHOCK ABSORBER, LH
48705LINK SUB-ASSY, TOE CONTROL, RH
48706BLINK SUB-ASSY, TOE CONTROL, LH
48710AARM ASSY, REAR SUSPENSION, NO.1 RH
48720AARM ASSY, REAR SUSPENSION, NO.1 LH
48730FARM ASSY, REAR SUSPENSION, NO.2 RH
48740FARM ASSY, REAR SUSPENSION, NO.2 LH
48750HSUPPORT ASSY, REAR SUSPENSION, RH
48750JNUT(FOR REAR SUPPORT TO REAR SHOCK ABSORBER RH)
48760BSUPPORT ASSY REAR SUSPENSION, LH
48760CNUT(FOR REAR SUPPORT TO REAR SHOCK ABSORBER LH)
48770AARM ASSY, UPPER CONTROL, REAR RH
48790ARM ASSY, UPPER CONTROL, REAR LH
48790EARM ASSY, UPPER CONTROL, REAR RH NO.2
48790FARM ASSY, UPPER CONTROL, REAR LH NO.2
48812BAR, STABILIZER, REAR
48818BUSH, STABILIZER, REAR
48830ANUT(FOR REAR STABILIZER LINK)
(L)
(J)
48830DLINK ASSY, REAR STABILIZER, RH
48832ABRACKET, REAR STABILIZER BAR, NO.1
48840ALINK ASSY, REAR STABILIZER, LH
8414ABS & VSC
8419ELECTRONIC MODULATED SUSPENSION
9010514200
main90105-14200
9010514202
main90105-14202
9017012030
main90170-12030
9017712001
main90177-12001
9017810014
main90178-10014
90178C0030
main90178-C0030
90178C0113
main90178-C0113
9017914044
main90179-14044
9017914068
main90179-14068
91551G0875
main91551-G0875
91672G1265
main91672-G1265
91672G1485
main91672-G1485
9167480814
main91674-80814
9167480820
main91674-80820
9415120801
main94151-20801
9415121200
main94151-21200
9415121401
main94151-21401
9462251400
main94622-51400
62 parts on this diagram · 1 diagram in section