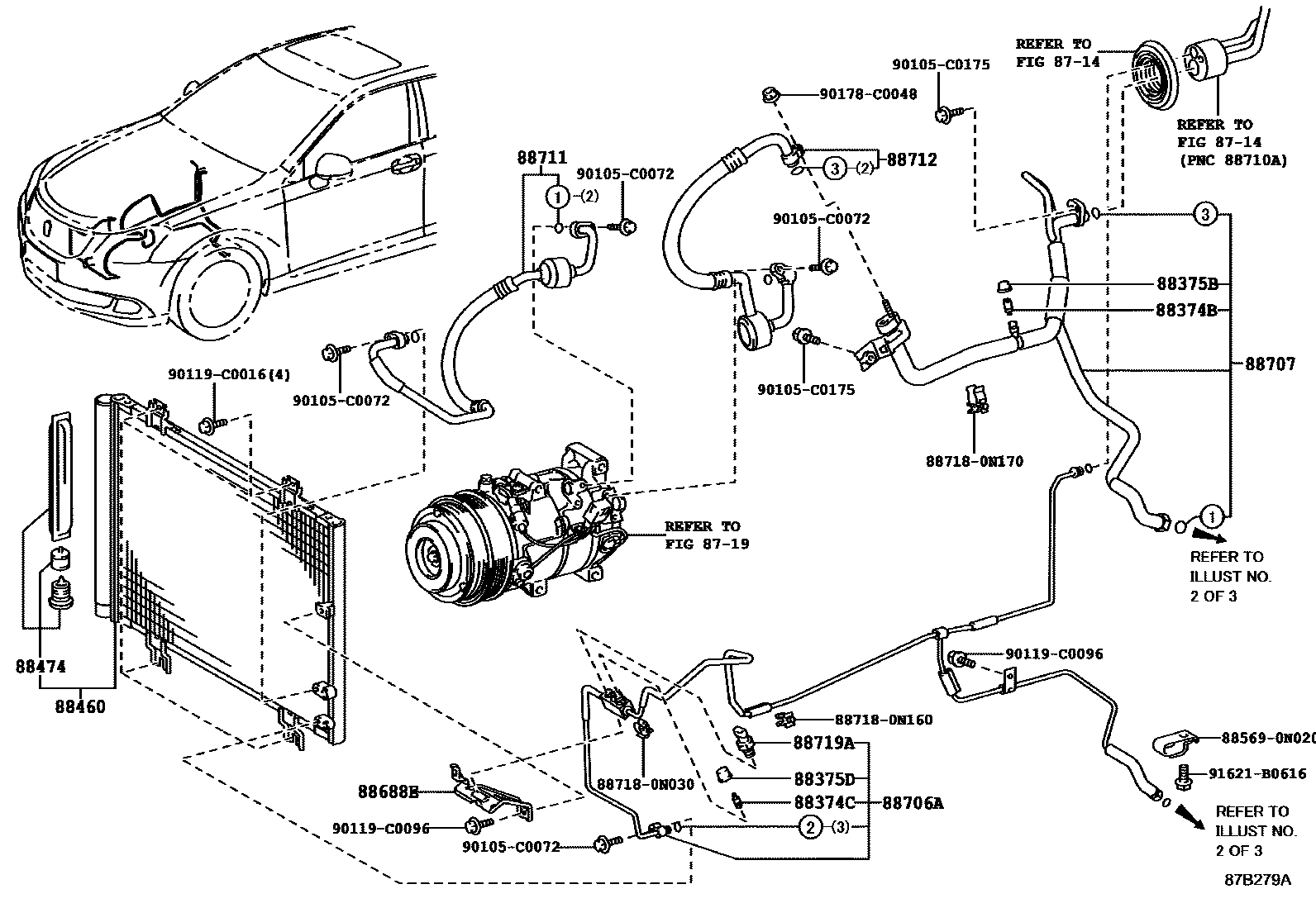
HEATING & AIR CONDITIONING - COOLER PIPING

8714HEATING & AIR CONDITIONING - COOLER UNIT
8719HEATING & AIR CONDITIONING - COMPRESSOR
88374BVALVE, SERVICE, NO.1
88374CVALVE, SERVICE, NO.2
88375BCAP, SERVICE VALVE, NO.1
88375DCAP, SERVICE VALVE, NO.2
88460CONDENSER ASSY, COOLER
88474DRYER, COOLER
88688EBRACKET, COOLER REFRIGERANT HOSE, NO.1
88706ATUBE SUB-ASSY, LIQUID, A
HIGH CLASS PACKAGE
88707PIPE SUB-ASSY, SUCTION
88711HOSE, COOLER REFRIGERANT DISCHARGE, NO.1
88712HOSE, COOLER REFRIGERANT SUCTION, NO.1
88719ASENSOR, AIR CONDITIONER PRESSURE
885690N020CLAMP (FOR COOLER RELAY)
main88569-0N020
887180N030PIPE, COOLER REFRIGERANT SUCTION, NO.2
main88718-0N030
887180N160PIPE, COOLER REFRIGERANT SUCTION, NO.2
main88718-0N160
887180N170PIPE, COOLER REFRIGERANT SUCTION, NO.2
main88718-0N170
90105C0072
main90105-C0072
90105C0175
main90105-C0175
90119C0016
main90119-C0016
90119C0096
main90119-C0096
90178C0048
main90178-C0048
91621B0616
main91621-B0616
24 parts on this diagram · 6 diagrams in section