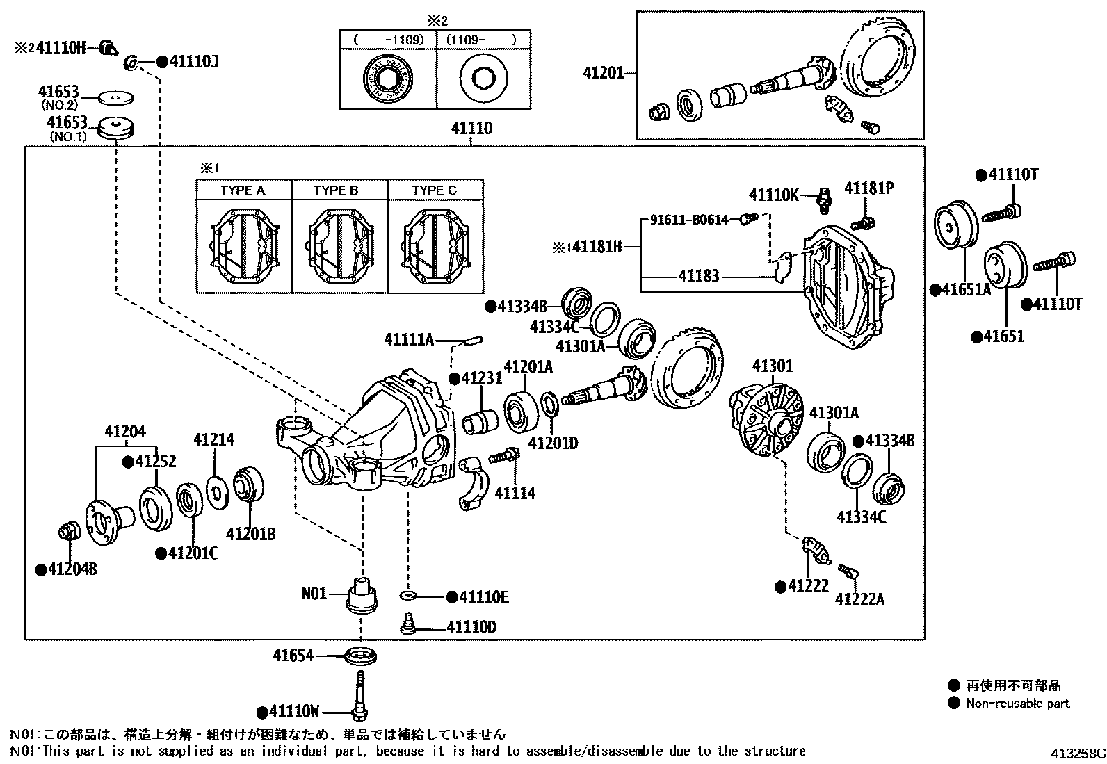
REAR AXLE HOUSING & DIFFERENTIAL

41110CARRIER ASSY, DIFFERENTIAL, REAR
41110DPLUG (FOR REAR DIFFERENTIAL DRAIN)
41110EGASKET (FOR REAR DIFFERENTIAL DRAIN PLUG)
41110JGASKET (FOR REAR DIFFERENTIAL FILLER PLUG)
41110KPLUG, BREATHER (FOR REAR DIFFERENTIAL)
41110TBOLT, NO.3 (FOR REAR DIFFERENTIAL CARRIER SET)
(J)
(L)
41110WBOLT, NO.4 (FOR REAR DIFFERENTIAL CARRIER SET)
41111APIN, STRAIGHT (FOR REAR DIFFERENTIAL CARRIER)
41114BOLT, REAR DIFFERENTIAL BEARING CAP
41181HCOVER, REAR DIFFERENTIAL CARRIER
TYPE B:REFER ILLUST.
41181PBOLT (FOR REAR DIFFERENTIAL CARRIER COVER SETTING)
41183DEFLECTOR, REAR DIFFERENTIAL BREATHER PLUG OIL
41201FINAL GEAR KIT, DIFFERENTIAL, REAR
*FGR=41:10=4.100
*FGR=47:13=3.615
*FGR=41:11=3.727
41201CSEAL, OIL (FOR REAR DIFFERENTIAL CARRIER)
41201DWASHER, PLATE (FOR REAR DIFFERENTIAL DRIVE PINION)
OD=47,T=1.70
OD=47,T=1.73
OD=47,T=1.76
OD=47,T=1.79
OD=47,T=1.82
OD=47,T=1.85
OD=47,T=1.88
OD=47,T=1.91
OD=47,T=1.94
OD=47,T=1.97
OD=47,T=2.00
OD=47,T=2.03
OD=47,T=2.06
OD=47,T=2.09
OD=47,T=2.12
OD=47,T=2.15
OD=47,T=2.18
OD=47,T=2.21
OD=47,T=2.24,MARK 01
OD=47,T=2.27,MARK 02
OD=47,T=2.30,MARK 03
OD=47,T=2.33,MARK 04
T=1.88,MARK 88
T=1.90,MARK 90
T=1.92,MARK 92
T=1.94,MARK 94
T=1.96,MARK 96
T=1.98,MARK 98
T=2.00,MARK 00
T=2.02,MARK 02
T=2.04,MARK 04
T=2.06,MARK 06
T=2.08,MARK 08
T=2.10,MARK 10
T=2.12,MARK 12
T=2.14,MARK 14
T=2.16,MARK 16
T=2.18,MARK 18
T=2.20,MARK 20
T=2.22,MARK 22
T=2.24,MARK 24
T=2.26,MARK 26
T=2.28,MARK 28
41204FLANGE SUB-ASSY, REAR DRIVE PINION COMPANION, REAR
41204BNUT (FOR REAR DRIVE PINION)
OD=37
OD=40.4
41214SLINGER, REAR DIFFERENTIAL DRIVE PINION OIL
41222PLATE, REAR DIFFERENTIAL RING GEAR SET BOLT LOCK
41222ABOLT (FOR REAR DIFFERENTIAL RING GEAR SET)
41231SPACER, REAR DIFFERENTIAL DRIVE PINION BEARING
41252DEFLECTOR, DUST (FOR REAR DIFFERENTIAL)
41334BSEAL, OIL (FOR REAR DIFFERENTIAL SIDE GEAR SHAFT)
RH
LH
41334CWASHER, PLATE (FOR REAR DIFFERENTIAL SIDE GEAR SHAFT)
T=2.58,MARK 01
T=2.64,MARK 03
T=2.70,MARK 05
T=2.76,MARK 07
T=2.82,MARK 09
T=2.88,MARK 11
T=2.94,MARK 13
T=3.00,MARK 15
T=3.06,MARK 17
T=3.12,MARK 19
T=3.18,MARK 21
T=3.24,MARK 23
T=3.30,MARK 25
T=3.36,MARK 27
T=3.42,MARK 29
T=3.48,MARK 31
T=2.60,MARK 32
T=2.62,MARK 33
T=2.66,MARK 34
T=2.68,MARK 35
T=2.72,MARK 36
T=2.74,MARK 37
T=2.78,MARK 38
T=2.80,MARK 39
T=2.84,MARK 40
T=2.86,MARK 41
T=2.90,MARK 42
T=2.92,MARK 43
T=2.96,MARK 44
T=2.98,MARK 45
T=3.02,MARK 46
T=3.04,MARK 47
T=3.08,MARK 48
T=3.10,MARK 49
T=3.14,MARK 50
T=3.16,MARK 51
T=3.20,MARK 52
T=3.22,MARK 53
T=3.26,MARK 54
T=3.28,MARK 55
T=3.32,MARK 56
T=3.34,MARK 57
T=3.38,MARK 58
T=3.40,MARK 59
T=3.44,MARK 60
T=3.46,MARK 61
41651CUSHION, REAR DIFFERENTIAL MOUNT, NO.1
41651ACUSHION, REAR DIFFERENTIAL MOUNT, NO.2
41653STOPPER, REAR DIFFERENTIAL MOUNT, UPPER
H=11.6,NO.1
H=2.6,NO.2,T=2.6
H=2.6,NO.2
H=5.0,NO.2,T=5.0
NO.1
91611B0614
main91611-B0614
34 parts on this diagram · 2 diagrams in section