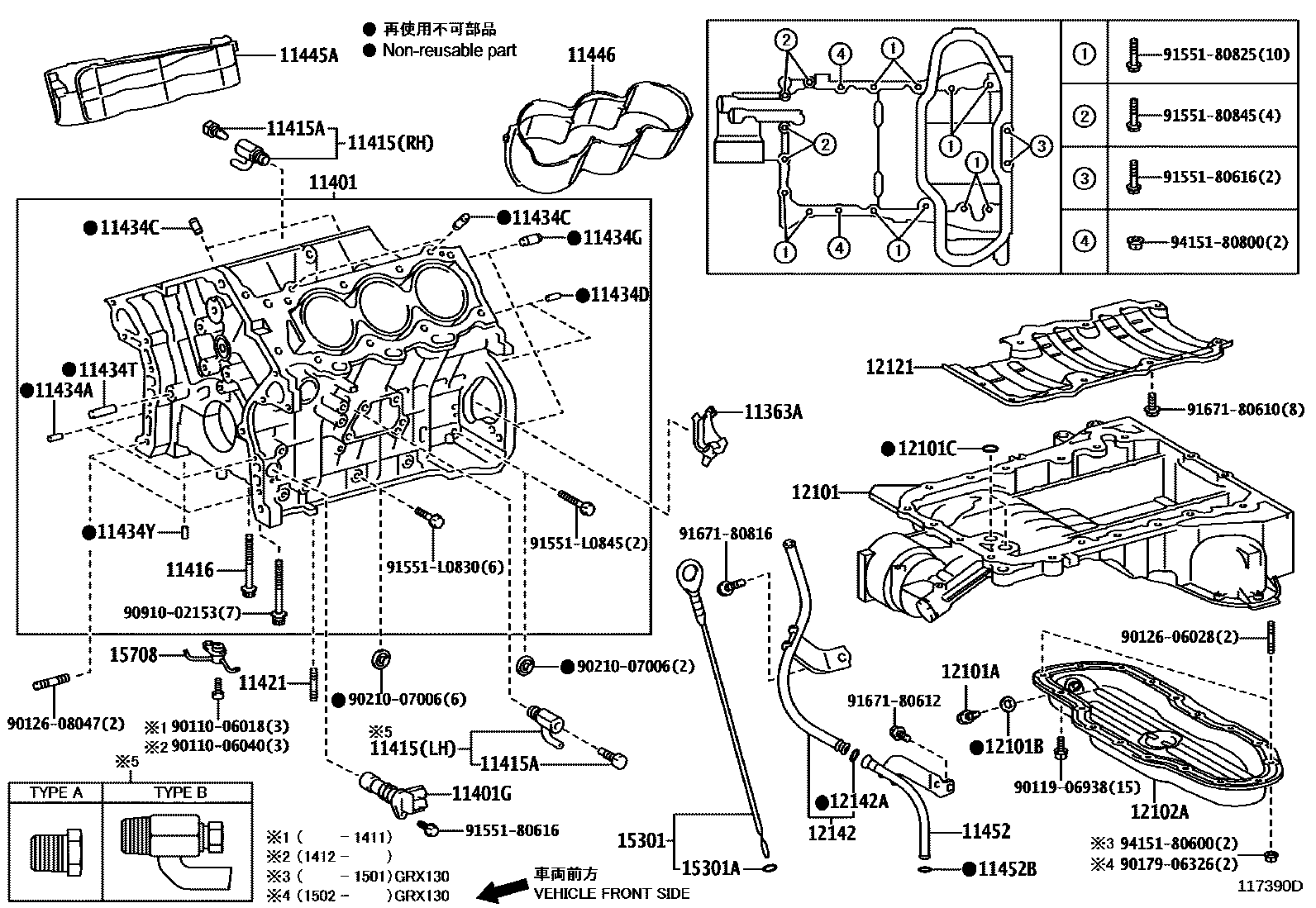
CYLINDER BLOCK

11363ACOVER, FLYWHEEL HOUSING SIDE
11401BLOCK SUB-ASSY, CYLINDER
11401GSENSOR, CRANK POSITION
11415COCK SUB-ASSY, WATER DRAIN(FOR CYLINDER BLOCK)
LH,TYPE A:REF.ILL.
11415APLUG, WATER DRAIN COCK(FOR CYLINDER BLOCK)
11416BOLT(FOR CRANKSHAFT BEARING CAP SET)
11421BOLT, STUD(FOR OIL PAN)
11434APIN, STRAIGHT(FOR TIMING GEAR COVER SET)
L=12,OD=4.0
11434CPIN, STRAIGHT (FOR CYLINDER HEAD SET)
L=18,OD=8
11434DPIN, STRAIGHT(FOR ENGINE REAR OIL SEAL)
L=12,OD=4.0
11434GPIN, STRAIGHT(FOR END PLATE)
11434TPIN, RING(FOR TIMING BELT IDLER BRACKET SET)
11434YPIN, STRAIGHT(FOR OIL PAN)
11445ASPACER, CYLINDER BLOCK WATER JACKET, RH
11446SPACER, CYLINDER BLOCK WATER JACKET, LH
11452GUIDE, OIL LEVEL GAGE
11452BRING, O(FOR OIL LEVEL GAGE GUIDE)
12101PAN SUB-ASSY, OIL
12101APLUG(FOR OIL PAN DRAIN)
12101BGASKET(FOR OIL PAN DRAIN PLUG)
12101CRING, O(FOR OIL PAN)
12102APAN SUB-ASSY, OIL, NO.2
12121PLATE, OIL PAN BAFFLE, NO.1
12142GUIDE, OIL LEVEL GAGE, NO.2
12142ARING, O(FOR OIL LEVEL GAGE GUIDE, NO.2)
15301GAGE SUB-ASSY, OIL LEVEL
15301ARING, O(FOR OIL LEVEL GAGE)
15708NOZZLE SUB-ASSY, OIL, NO.1
9011006018
main90110-06018
9011006040
main90110-06040
9011906938
main90119-06938
9012606028
main90126-06028
9012608047
main90126-08047
9017906326
main90179-06326
9021007006
main90210-07006
9091002153
main90910-02153
9155180616
main91551-80616
9155180825
main91551-80825
9155180845
main91551-80845
91551L0830
main91551-L0830
91551L0845
main91551-L0845
9167180610
main91671-80610
9167180612
main91671-80612
9167180816
main91671-80816
9415180600
main94151-80600
9415180800
main94151-80800
46 parts on this diagram · 1 diagram in section