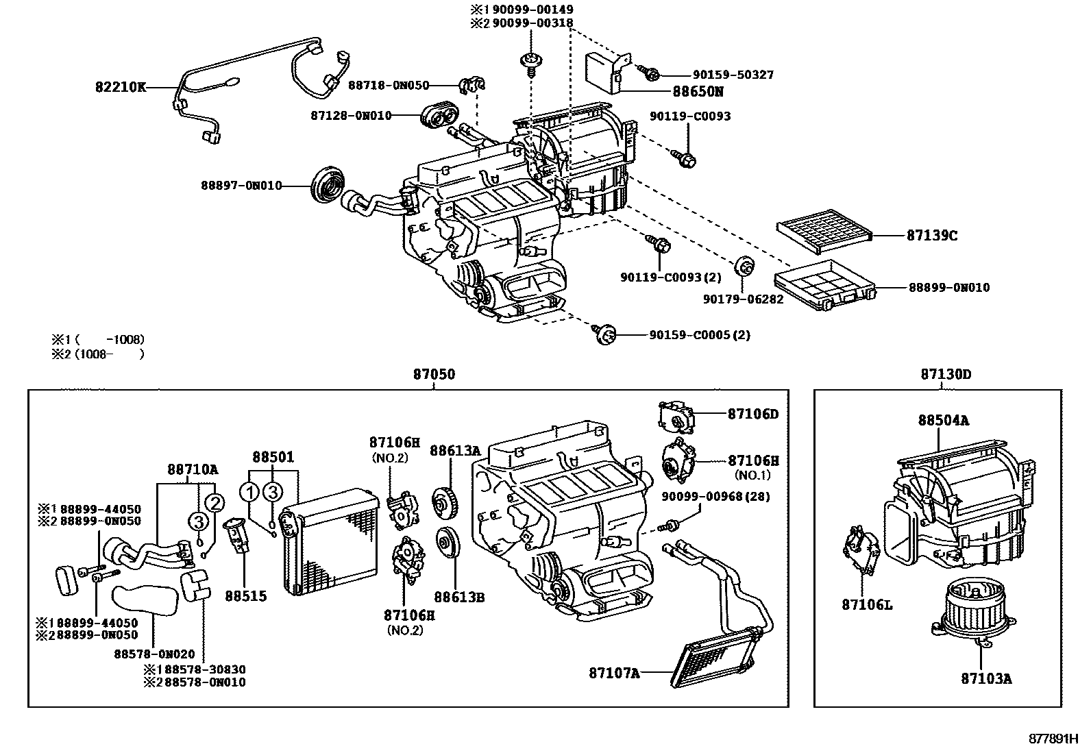
HEATING & AIR CONDITIONING - COOLER UNIT

82210KHARNESS ASSY, AIR CONDITIONER
87050RADIATOR ASSY, AIR CONDITIONER
87103AMOTOR SUB-ASSY, COOLING UNIT, W/FAN
87106DSERVO SUB-ASSY, DAMPER, NO.1
87106HSERVO SUB-ASSY, DAMPER(FOR AIRMIX)
NO.1
NO.2
87106LSERVO SUB-ASSY, DAMPER
87107AUNIT SUB-ASSY, HEATER RADIATOR
87130DBLOWER ASSY
87139CFILTER, CLEAN AIR
88501EVAPORATOR SUB-ASSY, COOLER, NO.1
88504ACASE SUB-ASSY, BLOWER
88515VALVE, COOLER EXPANSION
88613ALEVER, COOLER CONTROL, NO.1
88613BLEVER, COOLER CONTROL, NO.2
88650NAMPLIFIER ASSY, AIR CONDITIONER
88710ATUBE ASSY, AIR CONDITIONER
871280N010GROMMET, HEATER
main87128-0N010
885780N010PAKING, COOLER AIR DUCT
main88578-0N010
885780N020PAKING, COOLER AIR DUCT
main88578-0N020
8857830830PAKING, COOLER AIR DUCT
main88578-30830
887180N050PIPE, COOLER REFRIGERANT SUCTION, NO.2
main88718-0N050
888970N010VALVE, COOLER MAGNET
main88897-0N010
888990N010COVER, EVAPORATOR
main88899-0N010
888990N050COVER, EVAPORATOR
main88899-0N050
8889944050COVER, EVAPORATOR
main88899-44050
9009900149
main90099-00149
9009900318
main90099-00318
9009900968
main90099-00968
90119C0093
main90119-C0093
9015950327
main90159-50327
90159C0005
main90159-C0005
9017906282
main90179-06282
32 parts on this diagram · 2 diagrams in section