ELECTRONIC FUEL INJECTION SYSTEM

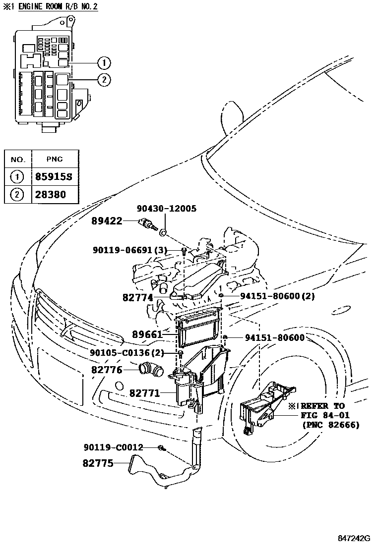
28380RELAY ASSY, FUEL PUMP
82771BOX, ENGINE ROOM ECU
82774COVER, ENGINE ROOM ECU
82775DUCT, ENGINE ROOM ECU INLET
82776DUCT, ENGINE ROOM ECU OUTLET
8401SWITCH & RELAY & COMPUTER
85915SRELAY, HEATER (FOR AIR FUEL RATIO SENSOR)
(J)
89422SENSOR, WATER TEMPERATURE (FOR E.F.I.)
89661COMPUTER, ENGINE CONTROL
BEIJING OR GUANGZHOU SPEC
BEIJING OR GUANGZHOU SPEC
BEIJING OR GUANGZHOU SPEC
BEIJING OR GUANGZHOU SPEC
90105C0136
main90105-C0136
9011906691
main90119-06691
90119C0012
main90119-C0012
9043012005
main90430-12005
9415180600
main94151-80600
14 parts on this diagram · 1 diagram in section