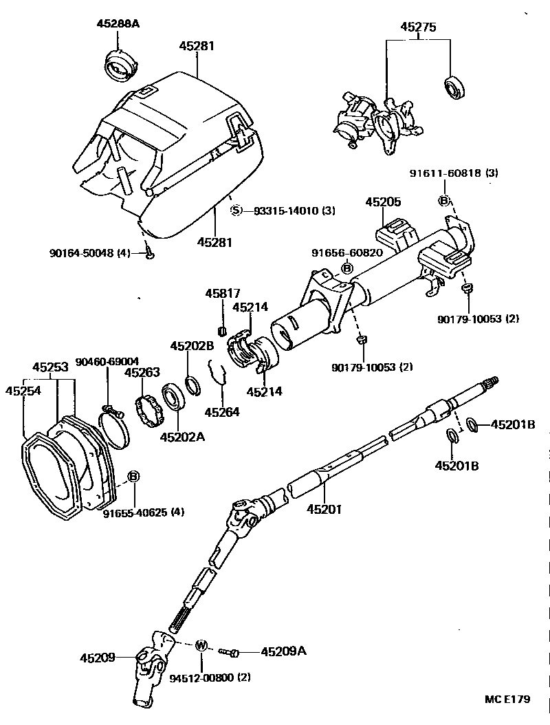
STEERING COLUMN & SHAFT

45201SHAFT SUB-ASSY, STEERING MAIN
W/TILT STEERING
45201BRING, SHAFT SNAP(FOR STEERING MAIN SHAFT)
T=1.20,T=1.2
T=1.35-1.45,T=1.4
45202SHAFT SUB-ASSY, STEERING INTERMEDIATE
W/POWER STEERING
W/POWER STEERING
W/POWER STEERING
45202ABEARING, RADIAL BALL(FOR STEERING INTERMEDIATE SHAFT)
45202BRING, SHAFT SNAP(FOR STEERING INTERMEDIATE SHAFT)
45205TUBE SUB-ASSY, STEERING COLUMN
W/TILT STEERING
W/TILT STEERING
45209YOKE SUB-ASSY, STEERING SLIDING
W/TILT STEERING
45209ABOLT, HEXAGON(FOR STEERING SLIDING YOKE SET)
45214RETAINER, MAIN SHAFT SPRING
45253COVER, STEERING COLUMN HOLE
45254SHIELD, STEERING COLUMN HOLE
45263RING, STEERING COLUMN, NO.1
45264RING, STEERING COLUMN, NO.2
45275BRACKET, STEERING COLUMN, UPPER
W/POWER WINDOW
W/POWER WINDOW
W/POWER WINDOW
W/POWER WINDOW
W/TILT STEERING
W/TILT STEERING
W/TILT STEERING
W/TILT STEERING
45281HOUSING, STEERING COLUMN
UPR,MAROON,MAROON
UPR,GRAY,COOL GRAY
UPR,BLUE,DARK BLUE
UPR,BEIGE,BEIGE
UPR,MAROON,MAROON
UPR,BEIGE,BEIGE
UPR,MAROON,MAROON
UPR,GRAY,COOL GRAY
UPR,BLUE,DARK BLUE
UPR,BEIGE,BEIGE
UPR,MAROON,MAROON
UPR,BEIGE,BEIGE
LWR,MAROON,W/TILT STEERING,MAROON
LWR,GRAY,W/TILT STEERING,COOL GRAY
LWR,BLUE,W/TILT STEERING,DARK BLUE
LWR,BEIGE,W/TILT STEERING,BEIGE
LWR,MAROON,W/TILT STEERING,MAROON
LWR,BEIGE,W/TILT STEERING,BEIGE
LWR,MAROON,MAROON
LWR,GRAY,COOL GRAY
LWR,BLUE,DARK BLUE
LWR,BEIGE,BEIGE
LWR,MAROON,MAROON
LWR,BEIGE,BEIGE
LWR,MAROON,W/TILT STEERING,MAROON
LWR,GRAY,W/TILT STEERING,COOL GRAY
LWR,BLUE,W/TILT STEERING,DARK BLUE
LWR,BEIGE,W/TILT STEERING,BEIGE
LWR,MAROON,W/TILT STEERING,MAROON
LWR,BEIGE,W/TILT STEERING,BEIGE
LWR,MAROON,MAROON
LWR,GRAY,COOL GRAY
LWR,BLUE,DARK BLUE
LWR,BEIGE,BEIGE
LWR,MAROON,MAROON
LWR,BEIGE,BEIGE
45288ASPACER, COLUMN COVER
MAROON,MAROON
GRAY,COOL GRAY
BLUE,DARK BLUE
BEIGE,BEIGE
MAROON,MAROON
BEIGE,BEIGE
45817STOPPER, STEERING SHAFT THRUST
9016450048
main90164-50048
9017910053
main90179-10053
9046069004
main90460-69004
9161160818
main91611-60818
9165540625
main91655-40625
9165660820
main91656-60820
9331514010
main93315-14010
9451200800
main94512-00800
25 parts on this diagram · 2 diagrams in section