DISTRIBUTOR

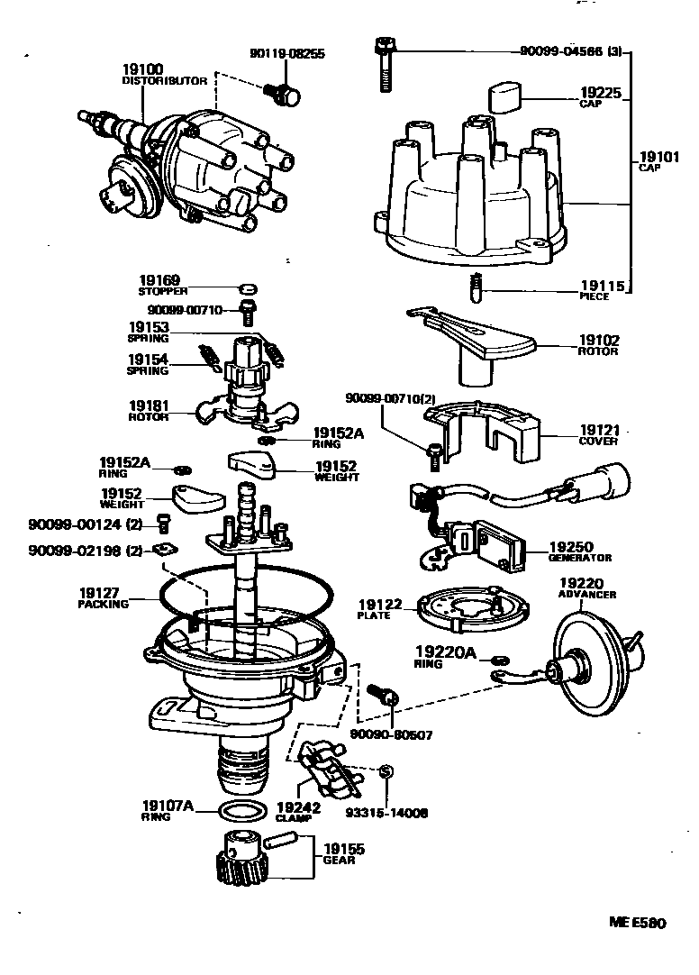
19100DISTRIBUTOR ASSY
EXCL/SAUDI ARABIA
SINGAPORE SPEC
95RON HIGH OCTANE SPEC
SINGAPORE SPEC
19101CAP SUB-ASSY, DISTRIBUTOR
19102ROTOR SUB-ASSY, DISTRIBUTOR
95RON HIGH OCTANE SPEC
SINGAPORE SPEC
19107ARING, O, DISTRIBUTOR HOUSING
19115PIECE, DISTRIBUTOR CAP, CENTER
19121COVER, DUST PROOF
NO.1
NO.2
19122PLATE, STATIONARY, DISTRIBUTOR
19127PACKING, DUST PROOF
NO.1
NO.2
19152WEIGHT, GOVERNOR
19152ARING, SNAP(FOR GOVERNOR WEIGHT)
19153SPRING, GOVERNOR, A
95RON HIGH OCTANE SPEC
19154SPRING, GOVERNOR, B
EXCL/SAUDI ARABIA
95RON HIGE OCTANE SPEC
19155GEAR, SPIRAL, DISTRIBUTOR
19169STOPPER, CAM GREASE
19181ROTOR, DISTRIBUTOR, SIGNAL
95RON HIGH OCTANE SPEC
SINGAPORE SPEC
19220ADVANCER ASSY, VACUUM, DISTRIBUTOR
EXCL/SAUDI ARABIA
SAUDI ARABIA SPEC
95RON HIGH OCTANE SPEC
SINGAPORE SPEC
19220ARING, SNAP(FOR DISTRIBUTOR VACUUM ADVANCER)
19225CAP, RUBBER
19242CLAMP, CORD
19250GENERATOR ASSY, SIGNAL
9009080507
main90090-80507
9009900124
main90099-00124
9009900710
main90099-00710
9009902198
main90099-02198
9009904566
main90099-04566
9011908255
main90119-08255
9331514008
main93315-14008
27 parts on this diagram · 8 diagrams in section