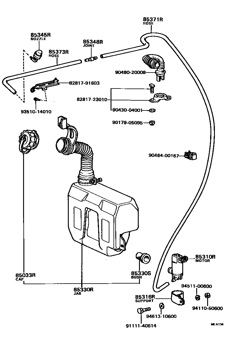
REAR WASHER

85033RCAP ASSY, REAR WASHER
85310RMOTOR ASSY, REAR WASHER
85316RSUPPORT, REAR WASHER MOTOR
85330RJAR ASSY, REAR WASHER
85330SBUSH, REAR WASHER JAR
85345RNOZZLE, REAR WASHER
85348RJOINT, REAR WASHER HOSE, NO.1
85371RHOSE, REAR WASHER (FROM MOTOR TO JOINT)
L=2000,*H,L=1700
85373RHOSE, REAR WASHER (FROM JOINT TO NOZZLE)
L=1000(*H,L=400)
8281723010PROTECTOR, WIRING HARNESS, NO.1
main82817-23010
8281791603PROTECTOR, WIRING HARNESS, NO.1
main82817-91603
9017905095
main90179-05095
9043004001
main90430-04001
9046400167
main90464-00167
9048020008
main90480-20008
9111140614
main91111-40614
9351014010
main93510-14010
9411050600
main94110-50600
9451100600
main94511-00600
9461310600
main94613-10600
20 parts on this diagram · 1 diagram in section