E
EPC Data

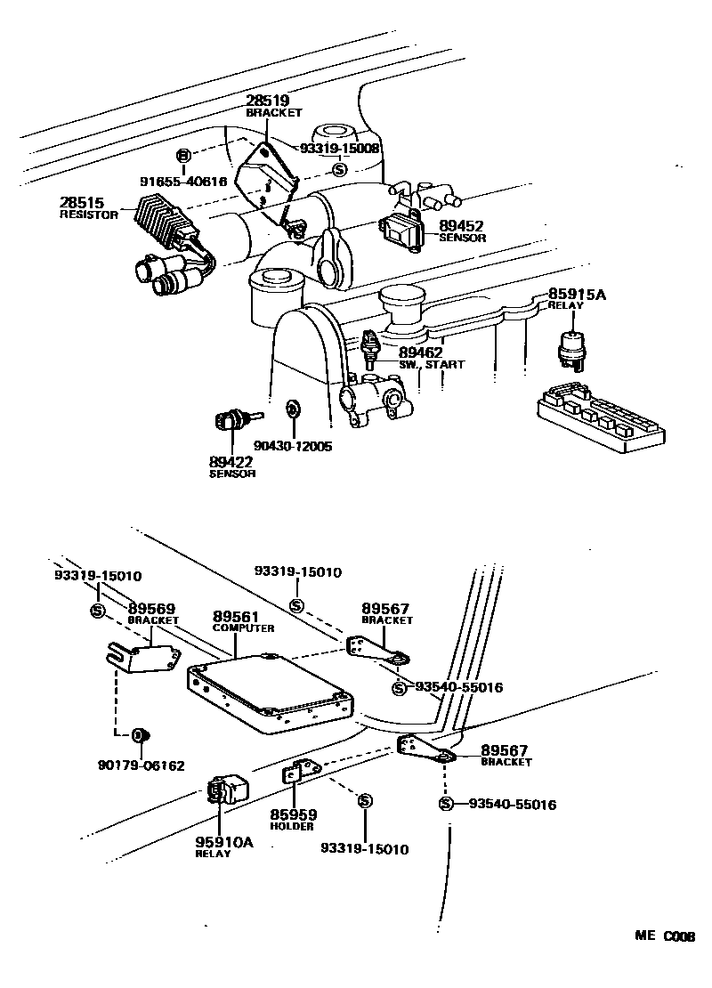
ELECTRONIC FUEL INJECTION SYSTEM

Parts diagram
28515RESISTOR, SOLENOID
main28515-41010i198009-198208
main28515-43010i198208-198504
28519BRACKET, SOLENOID RESISTOR
main28519-22050i198208-198504
main28519-22060i198208-198504
main28519-43010i198009-198208
85915ARELAY, MAIN
main90987-02004i198009-198504
85959HOLDER, RELAY
main85959-22010i198009-198504
89422SENSOR, WATER TEMPERATURE (FOR E.F.I.)
main89422-30020i198009-198504
89452SENSOR, THROTTLE POSITION (FOR E.F.I.)
main89452-14020i198009-198504
main89452-22010i198208-198504
89462SWITCH, START INJECTOR TIME
main89462-30011i198009-198504
main89462-40010i198208-198504
89561COMPUTER, FUEL INJECTION
main89561-14110i198312-198407
main89561-14111i198408-198504
main89561-14150i198308-198407
main89561-22050i198009-198208
main89561-22080i198208-198504
main89561-30120i198208-198308
89567BRACKET, FUEL INJECTION COMPUTER
main89567-22080i198009-198504
89569BRACKET, FUEL INJECTION COMPUTER
main89569-22080i198009-198504
main89569-22090i198208-198407
95910A
9017906162
9043012005
9165540616
9331915008
9331915010
9354055016

17 parts on this diagram · 2 diagrams in section

ELECTRONIC FUEL INJECTION SYSTEM — Toyota Parts Diagram with OEM Numbers & Prices | EPC Data