E
EPC Data

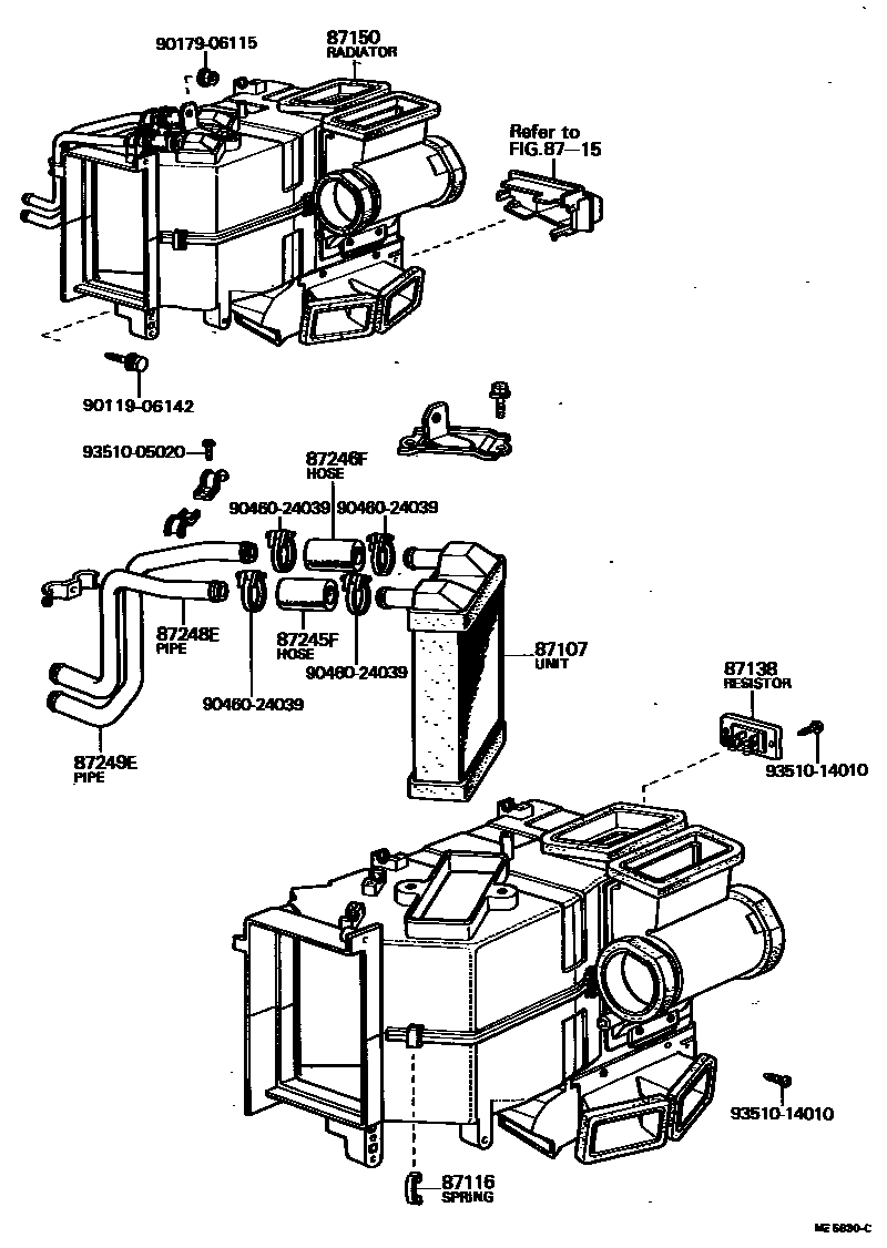
HEATING & AIR CONDITIONING - HEATER UNIT & BLOWER

Parts diagram
87107UNIT SUB-ASSY, HEATER RADIATOR
main87107-22040i197612-198008
main87107-22070i197612-198008
87116SPRING, HEATER CASE FASTENING
main87116-14010×6i197612-198008
87138RESISTOR, HEATER BLOWER
main87138-22030i197612-198008
8715HEATING & AIR CONDITIONING - CONTROL & AIR DUCT
87150RADIATOR ASSY, HEATER
main87150-22010i197612-198008
main87150-22020i197612-198008
main87150-22040i197612-198008
87245FHOSE, HEATER WATER, INLET F
main99552-30040i197612-198008
*H,L=40
87246FHOSE, HEATER WATER, OUTLET F
main99552-30040i197612-198008
*H,L=40
87248EPIPE, HEATER WATER INLET, E
main87156-22030i197612-198008
main87156-22040i197612-198008
main87156-22060i197612-198008
87249EPIPE, HEATER WATER OUTLET, E (FOR HEATER UNIT)
main87157-22040i197612-197705
main87157-22050i197612-198008
main87157-22070i197612-198008
main87157-22080i197705-197809
9011906142
9017906115
9046024039
9351005020
9351014010

14 parts on this diagram · 5 diagrams in section

HEATING & AIR CONDITIONING - HEATER UNIT & BLOWER — Toyota Parts Diagram with OEM Numbers & Prices | EPC Data