E
EPC Data

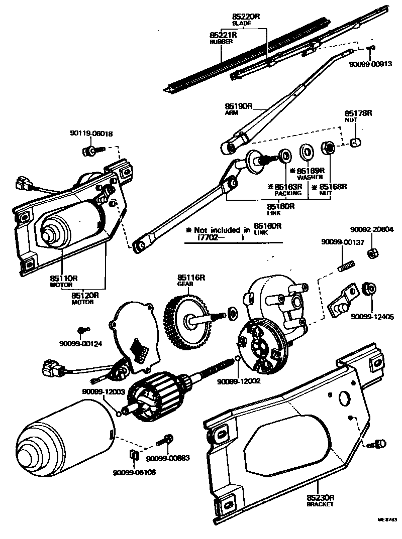
REAR WIPER

Parts diagram
85110RMOTOR ASSY, REAR WIPER
main85110-23020i197612-198008
85116RGEAR, REAR WIPER MOTOR
main85116-95101i197612-198008
85120RMOTOR AND BRACKET ASSY, REAR WIPER
main85120-23020i197612-198008
85160RLINK ASSY, REAR WIPER
main85160-23011i197612-197702
main85160-23012i197702-197710
main85160-23020i197612-197702
main85160-23021i197702-198008
85163RPACKING, REAR WIPER PIVOT, NO.1
main85174-21010i197612-198008
85168RNUT, REAR WIPER LINK PIVOT, NO.1
main90099-05120i197612-197710
main90099-05134i197702-198008
85169RWASHER, REAR WIPER LINK PIVOT, NO.1
main90099-01415i197612-197710
main90099-01435i197702-198008
85178RNUT (FOR REAR WIPER ARM SETTING)
main90176-06001i197612-197710
main90179-06158i197612-198008
85190RARM ASSY, REAR WIPER
main85190-23030i197612-197710
main85190-23041i197612-197712
main85190-23042i197712-198008
85220RBLADE ASSY, REAR WIPER
main85220-10080i197612-198008
85221RBLADE, REAR WIPER
main85221-10040i197612-198008
85230RBRACKET ASSY, REAR WIPER
main85230-23020i197612-198008
9009220604
9009900124
9009900137
9009900883
9009900913
9009905106
9009912002
9009912003
9009912405
9011906018

22 parts on this diagram · 1 diagram in section

REAR WIPER — Toyota Parts Diagram with OEM Numbers & Prices | EPC Data