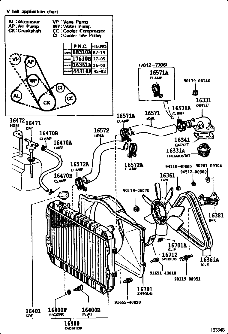
RADIATOR & WATER OUTLET

1603
16331ATHERMOSTAT
WAX 82-95 FUJI-THOMSON
16361FAN
7 BLADES OD=380
16361ABELT, V(FOR FAN & ALTERNATOR)
sub99341-50840
DOUBLE V BELTS
DOUBLE V BELTS
L=840
L=885
sub99322-00900
16381BAR, FAN BELT ADJUSTING
16400RADIATOR ASSY
MIDDLE EAST SPEC.FIN PITCH=4.0
MIDDLE EAST SPEC.FIN PITCH=3.5
16400BPLUG, RADIATOR DRAIN COCK
16400FPACKING(FOR RADIATOR DRAIN COCK)
sub96711-19007
16470AHOSE OR PIPE(FOR RADIATOR RESERVE TANK)
16470BCLAMP OR CLIP(FOR RADIATOR RESERVE TANK HOSE)
16471CAP SUB-ASSY, RESERVE TANK
16472HOSE, BREATHER
W/HEADLAMP CLEANER
16571HOSE, RADIATOR, INLET
16571ACLAMP OR CLIP, HOSE(FOR RADIATOR INLET)
RADIATOR SIDE
16572HOSE, RADIATOR, OUTLET
16572ACLAMP OR CLIP, HOSE(FOR RADIATOR OUTLET NO.1)
FOR RADIATOR OUTLET SIDE
ID=43
ID=45
ID=45 RADIATOR SIDE
ID=46,RADIATOR SIDE
ID=48 ENGINE SIDE
ID=49 ENGINE SIDE
16701ACLIP(FOR FAN SHROUD)
MIDDLE EAST SPEC.W/COOLER
W/COOLER
W/COOLER
16712SHROUD, FAN, NO.2
W/COOLER
MIDDLE EAST SPEC.W/COOLER
W/COOLER
W/COOLER
1705
4503
8719
9011908051
main90119-08051
9017906070
main90179-06070
9017908146
main90179-08146
9020109304
main90201-09304
9165140618
main91651-40618
9165540820
main91655-40820
9411040800
main94110-40800
9451200800
main94512-00800
33 parts on this diagram · 4 diagrams in section