E
EPC Data

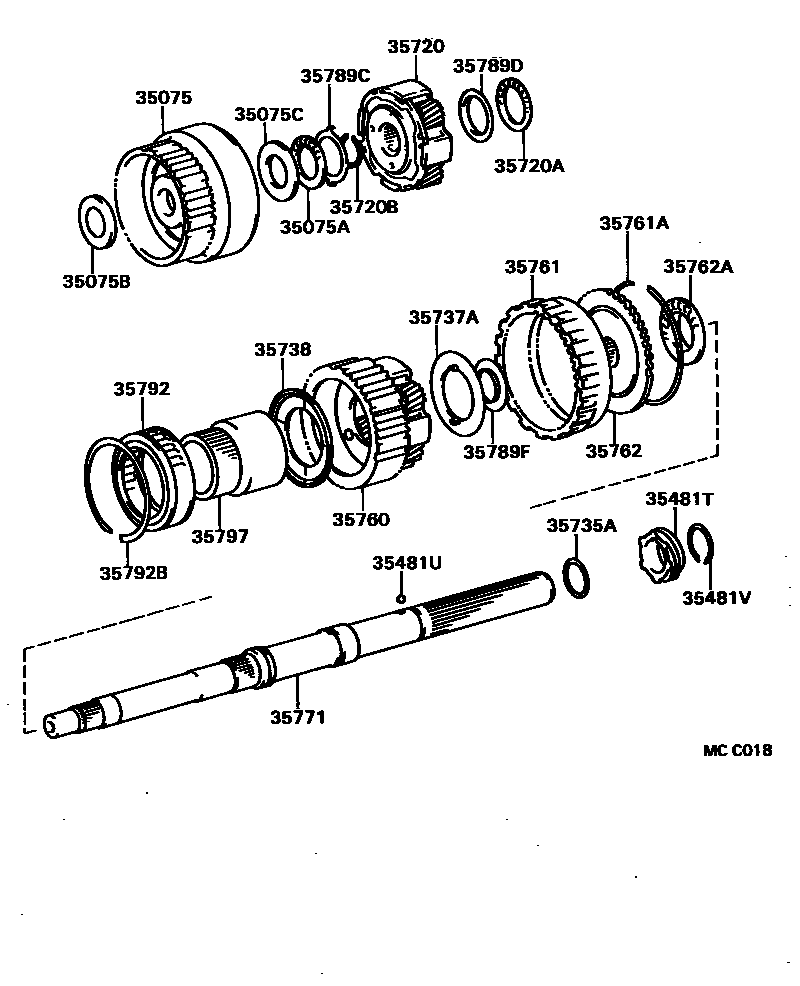
PLANETARY GEAR, REVERSE PISTON & COUNTER GEAR(ATM)

Parts diagram
35075GEAR SUB-ASSY, FRONT PLANETARY RING
main35075-30011i198601-198808
35075ABEARING, THRUST NEEDLE ROLLER (FOR FRONT PLANETARY RING)
main90374-32004i198601-198808
35075BRACE, THRUST BEARING (FOR FRONT PLANETARY RING GEAR FRONT)
main35789-30120i198601-198808
35075CRACE, THRUST BEARING (FOR FRONT PLANETARY RING GEAR RR)
main35789-30130i198601-198808
35481TGEAR, SPEEDMETER DRIVE (ATM)
main33481-24020i198601-198808
N=6
main33481-30060i198601-198808
N=6
35481UKEY OR BALL, SPEEDMETER DRIVE GEAR (ATM)
main90360-06004i198601-198808
35481VRING OR SPACER (FOR ATM SPEEDMETER DRIVE GEAR)
main90520-28009i198601-198808
T=1.50,OD=33.8
35720GEAR ASSY, FRONT PLANETARY
main35720-30080i198601-198808
35720ABEARING, THRUST NEEDLE ROLLER (FOR FRONT PLANETARY GEAR)
main90374-35001i198601-198808
35720BRING, SHAFT SNAP (FOR FRONT PLANETARY GEAR)
main90520-24026i198601-198808
35735ARING, PLANETARY OUTPUT SHAFT OIL SEAL
main35735-30020i198601-198808
35737AWASHER, PLANETARY CARRIER THRUST, NO.1
main35737-30030i198601-198808
35738WASHER, PLANETARY CARRIER THRUST, NO.2
main35739-30030i198601-198808
35760GEAR ASSY, REAR PLANETARY
main35705-14010i198601-198808
main35705-30010i198601-198808
35761GEAR, REAR PLANETARY RING
main35761-30020i198601-198808
35761ARING, HOLE SNAP (FOR REAR PLANETARY RING GEAR)
main90521-99024i198601-198808
35762FLANGE, REAR PLANETARY RING GEAR
main35762-30040i198601-198808
35762ABEARING, THRUST NEEDLE ROLLER (FOR REAR PLANETARY FLANGE)
main90374-39001i198601-198808
35771SHAFT, OUTPUT
main35771-30040i198601-198808
35789CRACE, THRUST BEARING (FOR FRONT PLANETARY GEAR FRONT)
main35789-30080i198601-198808
35789DRACE, THRUST BEARING (FOR FRONT PLANETARY GEAR REAR)
main35789-30100i198601-198808
35789FRACE, THRUST BEARING (FOR REAR PLANETARY FLANGE)
main35789-30160i198601-198808
35792CLUTCH, 1 WAY, NO.2
main35792-14010i198601-198708
main35792-14020i198708-198808
main35792-30041i198601-198603
main35792-30042i198603-198808
35792BRING, HOLE SNAP (FOR 1 WAY CLUTCH NO.2)
main90521-87001i198601-198808
35797RACE, 1 WAY CLUTCH INNER
main35797-30031i198601-198808

25 parts on this diagram · 1 diagram in section

PLANETARY GEAR, REVERSE PISTON & COUNTER GEAR(ATM) — Toyota Parts Diagram with OEM Numbers & Prices | EPC Data