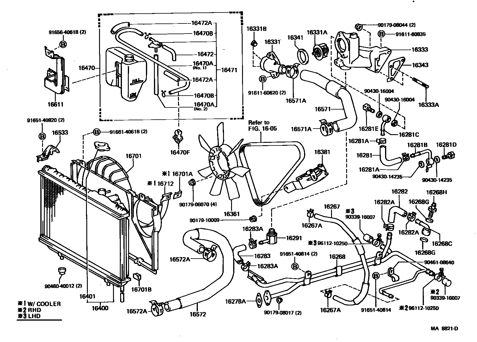
RADIATOR & WATER OUTLET

1605V-BELT
16267HOSE, WATER BY-PASS, NO.3
16267ACLAMP OR CLIP(FOR WATER BY-PASS HOSE NO.3)
16268PIPE, WATER BY-PASS, NO.1
16268CUNION, WATER BY-PASS PIPE
16268GGASKET(FOR WATER BY-PASS PIPE)
16268HBOLT, UNION(FOR WATER BY-PASS PIPE)
16278AGASKET, WATER BY-PASS
16281HOSE, WATER BY-PASS, NO.4
16281ACLAMP OR CLIP(FOR WATER BY-PASS HOSE NO.4)
16281BUNION, WATER BY-PASS PIPE, NO.2
16281CUNION, WATER BY-PASS PIPE, NO.3
16281DBOLT, UNION(FOR WATER BY-PASS PIPE UNION NO.2)
16281EBOLT, UNION(FOR WATER BY-PASS PIPE UNION NO.3)
16282HOSE, WATER BY-PASS, NO.5
16282ACLAMP OR CLIP(FOR WATER BY-PASS HOSE NO.5)
16283HOSE, WATER BY-PASS, NO.6
16283ACLAMP OR CLIP(FOR WATER BY-PASS HOSE NO.6)
16291JOINT, WATER HOSE
16331ATHERMOSTAT
*WAX 88-100
16331BPLUG(FOR WATER OUTLET)
16333HOUSING, WATER OUTLET
16333ABOLT, STUD(FOR WATER OUTLET HOUSING)
16341GASKET, WATER OUTLET
16343GASKET, WATER OUTLET HOUSING
16361FAN
16381BAR, FAN BELT ADJUSTING
16400RADIATOR ASSY
16401CAP SUB-ASSY, RADIATOR
16470TANK ASSY, RADIATOR RESERVE
16470AHOSE OR PIPE(FOR RADIATOR RESERVE TANK)
L=1000,NO.1,*H,L=860; L=1100(*H,L=860),NO.1
L=1800(*H,L=160),NO.2; L=600,NO.2,*H,L=145
16470BCLAMP OR CLIP(FOR RADIATOR RESERVE TANK HOSE)
16470FCLAMP, RADIATOR RESERVE TANK HOSE
16471CAP SUB-ASSY, RESERVE TANK
16472HOSE, BREATHER
16472APROTECTOR, HOSE
16533SUPPORT, RADIATOR, UPPER
16571HOSE, RADIATOR, INLET
16571ACLAMP OR CLIP, HOSE(FOR RADIATOR INLET)
16572HOSE, RADIATOR, OUTLET
16572ACLAMP OR CLIP, HOSE(FOR RADIATOR OUTLET NO.1)
16611BRACKET, RADIATOR RESERVE TANK
16701SHROUD SUB-ASSY, FAN
16701ACLIP(FOR FAN SHROUD)
W/COOLER
16701BCUSHION, FAN SHROUD
16712SHROUD, FAN, NO.2
W/COOLER
9017906070
main90179-06070
9017908017
main90179-08017
9017908044
main90179-08044
9017910009
main90179-10009
9033916007
main90339-16007
9043014235
main90430-14235
9043016004
main90430-16004
9046108640
main90461-08640
9048040012
main90480-40012
9161160620
main91611-60620
9161160835
main91611-60835
9165140814
main91651-40814
9165140820
main91651-40820
9165640618
main91656-40618
9166140618
main91661-40618
9611210250
main96112-10250
63 parts on this diagram · 3 diagrams in section