E
EPC Data

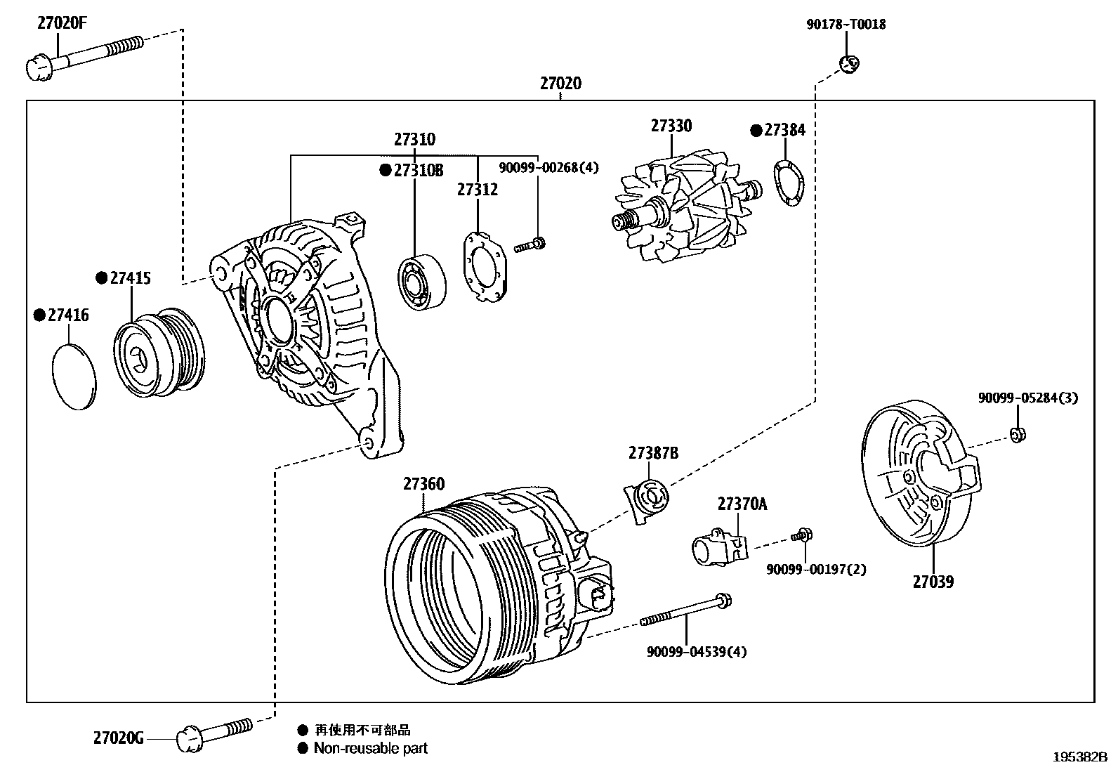
ALTERNATOR

Parts diagram
27020ALTERNATOR ASSY
main27060-0V330i201810-202110
12V 80A
main27060-0V370i201810-202110
12V 100A
main27060-36160i201810-202110
12V 150A; 12V 150A,SINGAPORE SPEC
main27060-F0020i201810-202110
12V 100A
main27060-F2170i202303
12V 100A
27020FBOLT, NO.1(FOR ALTERNATOR)
main90105-10562i201810-202110
(J)
main90105-T0295i201810-202110
(L); SINGAPORE SPEC
27020GBOLT, NO.2(FOR ALTERNATOR)
main90105-T0079i201810-202110
27039COVER, ALTERNATOR REAR END
main27039-0M100i201810-202110
main27039-0V220i201810-202110
main27039-31390i201810-202110
SINGAPORE SPEC
27310FRAME ASSY, DRIVE END, ALTERNATOR
main27310-0V220i201810-201902
main27310-0V230i201810-202110
main27310-0V240i201902-202110
main27310-36090i201810-202110
SINGAPORE SPEC
main27310-F0020i201810-202110
main27310-F2130i202303
27310BBEARING(FOR ALTERNATOR DRIVE END FRAME)
main90068-10033i202309
main90068-10040i201810-202110
main90068-10042i201810-201902
main90068-10050i201902-202110
main90099-10223i201810-202110
SINGAPORE SPEC
27312PLATE, RETAINER
main27312-0C020i202111
main27312-72100i201810-202110
SINGAPORE SPEC
27330ROTOR ASSY, ALTERNATOR
main27330-0M100i201810-202110
main27330-0V220i201810-202110
main27330-58460i201810-202110
SINGAPORE SPEC
27360COIL ASSY, ALTERNATOR
main27360-0V300i201810-202110
main27360-0V340i201810-202110
main27360-36240i201810-202110
SINGAPORE SPEC
main27360-F0020i201810-202110
27370AHOLDER ASSY, ALTERNATOR BRUSH
main27370-0M040i201810-202110
main27370-31220i201810-202110
SINGAPORE SPEC
27384WASHER
main27384-50030i201810-202110
SINGAPORE SPEC
27387BINSULATOR, ALTERNATOR TERMINAL
main27387-0C020i202111
main27387-20130i201810-202110
SINGAPORE SPEC
27415PULLEY, ALTERNATOR W/CLUTCH
main27415-0V011i201810-202110
main27415-0V040i201810-202110
SINGAPORE SPEC
main27415-36020i201810-202110
main27415-F0010i201810-202110
27416CAP, ALTERNATOR PULLEY
main27416-0W050i201810-202110
SINGAPORE SPEC
9009900197
9009900268
9009904539
9009905284
90178T0018

19 parts on this diagram · 5 diagrams in section

ALTERNATOR — Toyota Parts Diagram with OEM Numbers & Prices | EPC Data