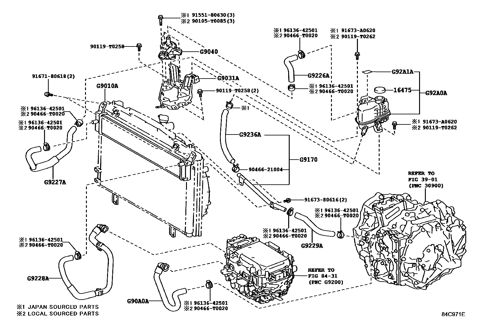
INVERTER COOLING

16475CAP, RESERVE TANK
3901TRANSAXLE ASSY(HEV OR BEV OR FCEV)
8431HEV INVERTER
G9031ABRACKET SUB-ASSY, HV WATER PUMP
G9040INVERTER WATER PUMP ASSY(W/MOTOR)
G90A0AHOSE ASSY, INVERTER COOLING, NO.1
G9170PIPE ASSY, INVERTER COOLING NO.1
G9226AHOSE, INVERTER COOLING, NO.2
G9227AHOSE, INVERTER COOLING, NO.3
G9229AHOSE, INVERTER COOLING, NO.5
G9236AHOSE, INVERTER COOLING, NO.6
G92A1ALABEL, HYBRID COOLANT SYSTEM INFORMATION
90105T0085
main90105-T0085
90119T0258
main90119-T0258
90119T0262
main90119-T0262
9046621004
main90466-21004
90466T0020
main90466-T0020
9155180630
main91551-80630
9167180618
main91671-80618
9167380616
main91673-80616
91673A0620
main91673-A0620
9613642501
main96136-42501
25 parts on this diagram · 1 diagram in section