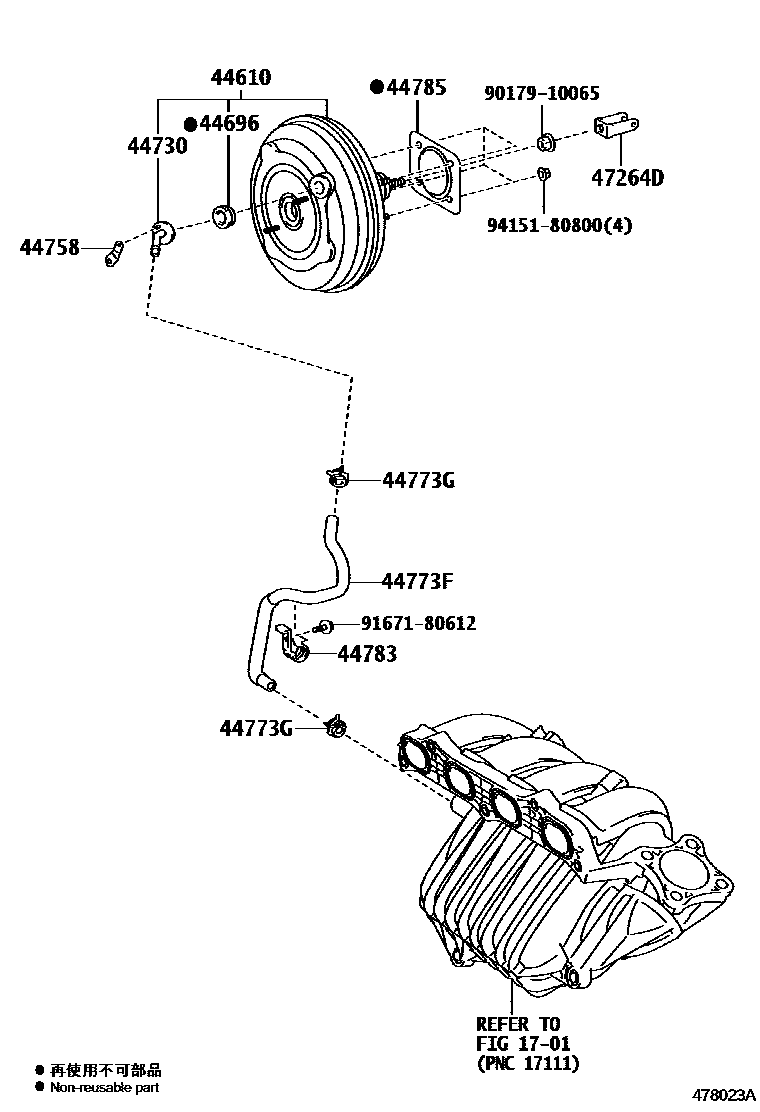
BRAKE BOOSTER & VACUUM TUBE

1701MANIFOLD
44610BOOSTER ASSY, BRAKE
MARK=0204746681
MARK=0204746671
MARK=0204746673
MARK=0204746683
MARK=0204746675
MARK=0204746679
44696GROMMET, CHECK VALVE
44730VALVE ASSY, VACUUM CHECK(FOR BRAKE)
44758BRACKET, VACUUM CHECK VALVE
44773FHOSE, UNION TO CHECK VALVE
44773GCLIP(FOR UNION TO CHECK VALVE HOSE)
44783CLAMP, VACUUM HOSE
44785GASKET, BRAKE BOOSTER
47264DCLEVIS, BRAKE MASTER CYLINDER PUSH ROD
9017910065
main90179-10065
9167180612
main91671-80612
9415180800
main94151-80800
13 parts on this diagram · 4 diagrams in section